寬帶GaAs MMIC功率放大器 陶瓷封裝0.7至2.2GHz頻段 美國進口功率放大器現貨出售
2018-06-28 14:50:37
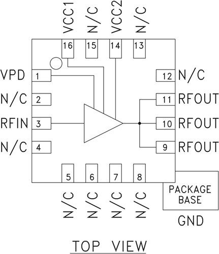
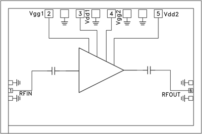
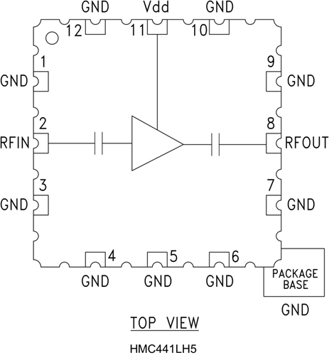
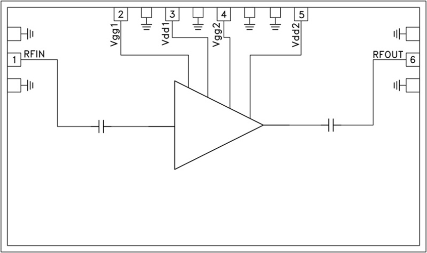
AMCOM的AM072249WM是網絡帶寬GaAs MMIC工作電壓變成器。它一款 30dB小信號燈增加收益和39 dBm(8W)供大于求內容輸出的電率CW功效工作電壓不低于0.7至2.2GHz頻段。MMIC在5個基帶芯片(-00—R)中提拱。包(-SN-R)表格樣式。AM072249WM SN-R是陶瓷廠家封裝中的另外一種。活套法蘭和直RF和DC致使裝配圖變低