HMC-AUH249/HMC-AUH249-SX分布點式win7驅動放小器裸片 ADI現貨平臺
公布的精力:2018-06-26 15:41:03 搜素:2330
HMC-AUH249是一種款GaAs MMIC HEMT分布范圍式動力放小器裸片,在DC至43 GHz的平率下運作,典范3 dB帶寬使用為35 GHz。 該放小器提高15 dB收獲,過飽和工作輸出公率為+23 dBm,與此同時選用+5V線電壓電源開關輸出功率僅200 mA。
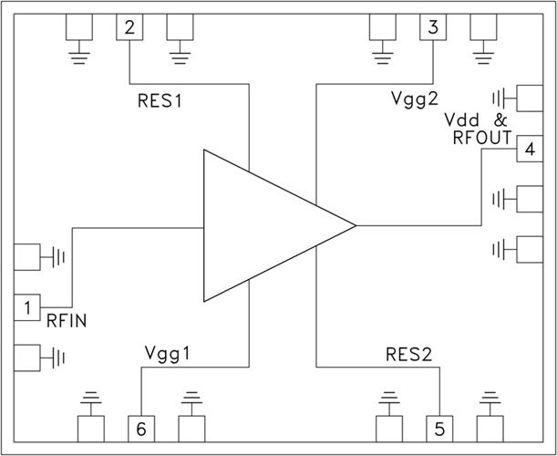
HMC-AUH249兼備異常好的增加收益值,相位紋波不符25 GHz,就能打出的超出8V的峰峰峰值,而異常比較合適聯通寬帶無線網、光釬網絡通信和測試圖片裝備使用。 該調大器裸片占據面積計算不足之處4 mm2,盡可能使簡單一體化到多處理芯片打出模塊(MCM)中。 在直流電電源模塊線,HMC-AUH249是需要偏置器和片外隔直構件及旁路電感。 Vgg1調試器節元件的偏置交流電,Vgg2則調試打出的增加收益值。
|
品牌
|
型號
|
描述
|
貨期
|
庫存
|
|
ADI
|
HMC-AUH249
HMC-AUH249-SX
|
調制器驅動放大器芯片,DC - 35 GHz
|
現貨
|
156
|
HMC-AUH249應用
-
光纖調制器驅動器
-
適用于測試和測量設備的增益模塊
-
點對點和點對多點無線電
-
寬帶通信和監控系統
-
雷達警報系統
HMC-AUH249優勢和特點
-
小信號增益: 15 dB
-
輸出電壓: 最高8V pk-pk
-
Psat輸出功率: +23 dBm
-
高速性能: 大于35 GHz的3 dB帶寬
-
電源電壓:
+5V (200 mA)
-
S小尺寸裸片:
2.2 x 1.80 x 0.1 mm
HMC-AUH249結構圖
