HMC461LP3E雙安全通道MMIC調小器 1w高IP3調小器 ADI現貨平臺
發布新聞準確時間:2018-06-26 11:49:49 看:1953
HMC461LP3(E)就是款1.7 - 2.2 GHz高導出IP3 GaAs InGaP異質結雙旋光性單晶體管(HBT)雙短信通道MMIC放小器。 它在單一集成型電路系統設計中,供給兩只HMC455LP3高IP3驅動下載器的平滑使用的性能,可在均衡性性或推挽放小器電路系統設計中配制。 該放小器供給12 dB的收獲和+30.5 dBm的飽和耗油率(當PAE為48%時),分為+5 Vdc單供電,同樣使用的均衡性性配制的外面巴倫。
伴隨享有+45 dBm的高輸入輸出IP3,再結合在一起1.2:1的低VSWR,因為HMC461LP3(E)被選為適用PCS/3Gwifi基礎知識場地設施的期望驅動軟件放縮器。 雙MMIC放縮器整合用電線路用于低費用的無引腳3x3 mm QFN外表貼裝二極管封裝(LP3)。 LP3具備裸漏基極以保證 卓越的RF和熱量散發特性。
|
品牌
|
型號
|
描述
|
貨期
|
庫存
|
|
ADI
|
HMC461LP3
|
1瓦特高IP3放大器,采用SMT封裝,1.7 - 2.2 GHz
|
現貨
|
278
|
HMC461LP3應用
-
多載波系統
-
GSM、GPRS和EDGE
-
CDMA和W-CDMA
-
PHS
-
可配置平衡或推挽
HMC461LP3優勢和特點
-
+45 dBm輸出IP3(平衡配置)
-
增益:12 dB
-
PAE為48%(Pout為+30.5 dBm時)
-
+20 dBm的W-CDMA通道功率(ACP為-45 dBc時)
-
3x3 mm QFN SMT封裝
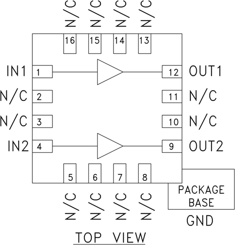
HMC461LP3結構圖
