HMC442LM1/HMC442LM1TR工作效率縮放器 ADI外盤
上架耗時:2018-06-27 16:42:54 查詢:1958
HMC442LM1也是款寬帶網網絡17.5至24 GHz GaAs PHEMT MMIC中檔耗油率變成器,按照SMT無引腳集成塊媒介二極管封裝類型。 LM1按照本身的表貼寬帶網網絡分米波二極管封裝類型,打造低消耗的資金和卓越的I/O相匹配,并要保持MMIC集成塊效果。 該變成器打造14 dB增加收益,達到飽和狀態耗油率為+23 dBm(27% PAE時),電源模塊電流值為+5V。
50 Ω自動匹配變大器在RF效果和效果端上接口方式化隔直,尤其適于看做直線收獲接口方式、導彈鏈推動器或HMC SMT混頻器LO推動器。 作為一個處理器和線路結合模塊的充當元器件封裝,HMC442LM1暫時無法線焊,關鍵在于為加盟商具備保持一致的接口方式。
|
品牌
|
型號
|
描述
|
貨期
|
庫存
|
|
ADI
|
HMC442LM1
HMC442LM1TR
|
中等功率放大器,采用SMT封裝,17.5 - 24.0 GHz
|
現貨
|
212
|
HMC442LM1應用
HMC442LM1優勢和特點
-
飽和功率: +23 dBm (27% PAE)
-
增益: 14 dB
-
電源電壓: +5V
-
50 Ω匹配輸入/輸出
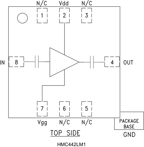
HMC442LM1結構圖
