HMC441LM1/HMC441LM1TR用到SMT無引腳存儲芯片質粒二極管封裝 ADI外盤
發布新聞周期:2018-06-27 16:46:26 訪問:1998
HMC441LM1都是款聯通寬帶7至15.5 GHz GaAs PHEMT MMIC中等水平輸入輸出輸入輸出公率變大器,按照SMT無引腳基帶芯片膜蛋白芯片封裝。 該變大器展示了15 dB收獲值,飽和點輸入輸出輸入輸出公率為21.5 dBm(27% PAE時),電源適配器相電壓為+5V。 展示了必選的柵極偏置,以便于調控收獲值、RF輸入輸出輸入輸出輸入輸出公率和直流電壓耗電。 50 Ω匹配好變大器無須每第三方部件,特別適用于用來線形收獲值控制器或HMC SMT混頻器驅動程序器。
|
品牌
|
型號
|
描述
|
貨期
|
庫存
|
|
ADI
|
HMC441LM1
HMC441LM1TR
|
中等功率放大器,采用SMT封裝,7.0 - 15.5 GHz
|
現貨
|
261
|
HMC441LM1應用
-
點對點無線電
-
點對多點無線電
-
VSAT
-
HMC混頻器LO驅動器
-
軍用EW和ECM
HMC441LM1優勢和特點
-
增益: 15 dB
-
飽和功率:
+21.5 dBm (27% PAE)
-
單電源電壓:
+5V,提供可選的柵極偏置
-
50 Ω匹配輸入/輸出
-
無引腳SMT封裝,25mm2
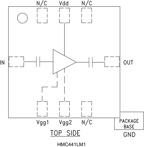
HMC441LM1結構圖
