HMC-AUH320/HMC-AUH320-SX英語四級一般最大功率變小器 ADI外盤
披露精力:2018-06-27 11:44:10 預覽:2725
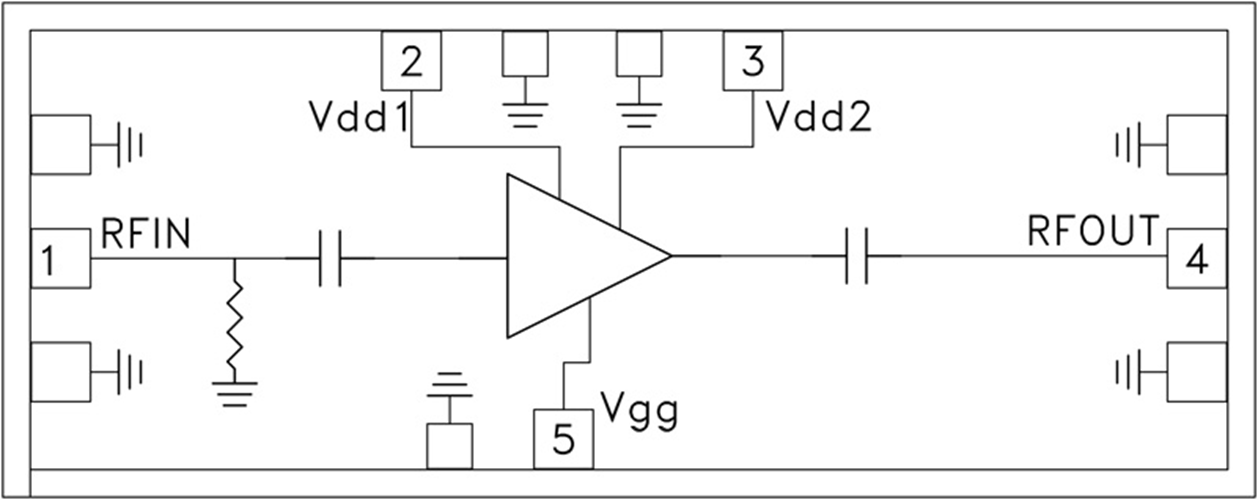
HMC-AUH320就是款高動態數據依據的4個等級GaAs HEMT MMIC一般公率增加器,在71至86 GHz的平率下任務。 HMC-AUH320在74 GHz平率下給出16 dB的增益值,在1 dB降低點給出+15 dBm的輸出公率,所采用+4V電源適配器線電壓。 那些焊盤和處理芯片上面都要經過Ti/Au合金金屬化,增加器器材已完完全全鈍化以保證可信度操作流程。
HMC-AUH320 GaAs HEMT MMIC中低工作電壓變大器可兼容常規性的電源電源芯片貼裝策略,還有熱收縮和熱超聲波線焊,極其最適合MCM和混合著微電路設計操作。 前方顯視的其它大數據均是電源電源芯片在50 Ohm周圍環境下利用RF攝像頭碰觸得出。
|
品牌
|
型號
|
描述
|
貨期
|
庫存
|
|
ADI
|
HMC-AUH320
HMC-AUH320-SX
|
中等功率放大器芯片,71 - 86 GHz
|
現貨
|
233
|
HMC-AUH320應用
-
短程/高容量鏈路
-
無線LAN網橋
-
汽車雷達
-
軍事和太空
-
E波段通信系統
HMC-AUH320優勢和特點
-
增益: 16 dB (76 GHz)
-
P1dB: +15 dBm
-
電源電壓: +4V
-
50 Ω匹配輸入/輸出
-
裸片尺寸:
2.20 x 0.87 x 0.1 mm
HMC-AUH320結構圖
