HMC608LC4/HMC608LC4TR/HMC608LC4TR-R5中等偏上電機功率調小器 ADI期貨
上架期限:2018-06-26 16:19:23 訪問 :2462
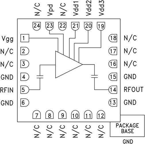
HMC608LC4也是款高動態數據依據GaAs pHEMT MMIC中等偏上最大工作電流電壓調小器,按照無引腳“無鉛”SMT二極管封裝。該調小器保證兩種類型運作方式切換:高收獲方式切換(Vpd引腳短接至地);和低收獲方式切換(Vpd引腳長期保持引路)。下表提示 了在高收獲方式切換下運作的調小器的機電能力參數。該調小器更具9.5至11.5 GHz的運作依據,保證29.5 dB收獲、+27.5 dBm飽滿最大工作電流電壓和23% PAE(+5V電源開關電流電壓)。燥音標準值為6 dB,而打出IP3為+33 dBm。隔直RF I/O適合至50 Ω,動用方面。HMC608LC4必須線焊,都可以動用表貼創造能力。
|
品牌
|
型號
|
描述
|
貨期
|
庫存
|
|
ADI
|
HMC608LC4,HMC608LC4TR,HMC608LC4TR-R5
|
中等功率放大器,采用SMT封裝,9.5 - 11.5 GHz
|
現貨
|
237
|
HMC608LC4應用
HMC608LC4優勢和特點
-
輸出IP3:+33 dBm
-
飽和功率:+27.5 dBm (23% PAE)
-
增益:29.5 dB
-
電源:+5V(310 mA時)
-
50 Ω匹配輸入/輸出
-
符合RoHS標準的4x4 mm SMT封裝
HMC608LC4結構圖
