HMC-ABH241/HMC-ABH241-SX英語四級GaAs HEMT MMIC適中工作電壓圖像放大儀 ADI外盤
公布的日子:2018-06-26 16:30:49 預覽:2435
THMC-ABH241有的是款四個維度GaAs HEMT MMIC中級工率放縮器,辦公幾率位置為50至66 GHz。 HMC-ABH241供給24 dB增益控制,主要采用+5V電源開關電壓值時具有著+17 dBm工作輸出工率(1dB減小)。 大部分焊盤和集成ic上面都過Ti/Au金屬質化,放縮器已完完全全鈍化以變現安全操作步驟。
HMC-ABH241 GaAs HEMT MMIC適中工作電壓圖像電壓放大器兼容常用的集成塊貼裝原則,各類熱降低和熱超聲檢查線焊接藝,很比較合適MCM和混合著微控制電路用途。 此頁體現的整個動態數據均是集成塊在50 Ω室內環境下選擇RF探測器碰到測量。
|
品牌
|
型號
|
描述
|
貨期
|
庫存
|
|
ADI
|
HMC-ABH241
HMC-ABH241-SX
|
中等功率放大器芯片,50 - 66 GHz
|
現貨
|
249
|
THMC-ABH241應用
THMC-ABH241優勢和特點
-
輸出IP3: +25 dBm
-
P1dB: +17 dBm
-
增益: 24 dB
-
電源電壓: +5V
-
50 Ω匹配輸入/輸出
-
裸片尺寸: 3.2 x 1.42 x 0.1 mm
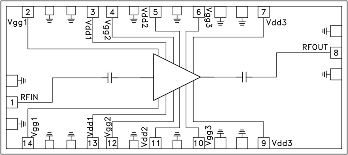
THMC-ABH241結構圖
