HMC-APH196/HMC-APH196-SX兩極中上額定功率擴大器 ADI現貨黃金
上線用時:2018-06-26 16:40:28 瀏覽器:2207
HMC-APH196就是一款有級GaAs HEMT MMIC中等水平額定工作電壓放縮器,運行平率依據為17至30 GHz。 HMC-APH196在20 GHz下作為20 dB增益控制,使用+4.5V交流電源電壓降時包括+22 dBm內容輸出額定工作電壓(1 dB縮減)。 全部焊盤和集成ic后殼都通過Ti/Au合金材料化,放縮器已是鈍化以控制耐用運營。
HMC-APH196 GaAs HEMT MMIC中級熱效率放縮器兼容一般的集成ic貼裝途徑,及其熱縮小和熱超聲心動圖線焊接藝,如此滿足MCM和融合微電源線路應運。 在這兒出現的擁有數劇均是集成ic在50 Ω環保下在使用RF紅外探頭遇到得出。
|
品牌
|
型號
|
描述
|
貨期
|
庫存
|
|
ADI
|
HMC-APH196
HMC-APH196-SX
|
中等功率放大器芯片,17 - 30 GHz
|
現貨
|
249
|
HMC-APH196應用
HMC-APH196優勢和特點
-
輸出IP3: +31 dBm
-
P1dB: +22 dBm
-
增益: 20 dB (20 GHz)
-
電源電壓: +4.5V
-
50 Ω匹配輸入/輸出
-
裸片尺寸: 3.3 x 1.95 x 0.1 mm
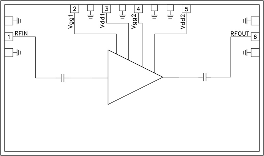
HMC-APH196結構圖
