HMC408LP3E/HMC408LP3ETR便捷率公率變小器5.1 - 5.9 GHz ADI現貨平臺
披露事件:2018-06-26 13:39:38 網頁瀏覽:7338
HMC408LP3(E)是一種款5.1 - 5.9 GHz快速率GaAs InGaP異質結雙旋光性尖晶石管(HBT)瓦數變大器MMIC,能提供了+30 dBm P1dB。 該變大器能提供了20 dB增益值,是處于飽和狀態瓦數為+32.5 dBm,外接電源電壓值為+5V (27% PAE)。 手機輸入室內相配至50 Ohms,模擬輸出精度需稀少的外觀器件。 Vpd能用的 于全耗電形式 或RF模擬輸出精度瓦數/電流量管理。 該變大器用到低直接費用、3x3 mm無鉛外表貼裝封裝類型,帶異裸露出支撐柱以可以改善RF和熱量散發能。
|
品牌
|
型號
|
描述
|
貨期
|
庫存
|
|
ADI
|
HMC408LP3E
HMC408LP3ETR
|
1 W功率放大器SMT,5.1 - 5.9 GHz
|
現貨
|
275
|
HMC408LP3應用
-
802.11a & HiperLAN WLAN
-
UNII和點對點/多點無線電
HMC408LP3優勢和特點
-
增益: 20 dB
-
飽和功率: +32.5 dBm (27% PAE)
-
單電源電壓: +5V
-
省電功能
-
3x3 mm無鉛SMT封裝
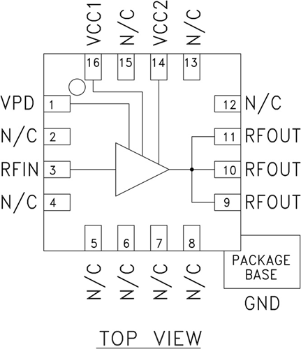
HMC408LP3結構圖
