HMC-AUH318/HMC-AUH318-SX高的動態領域的一級中級電率放小器 ADI期貨
發布了時段:2018-06-26 16:01:41 查詢:7588
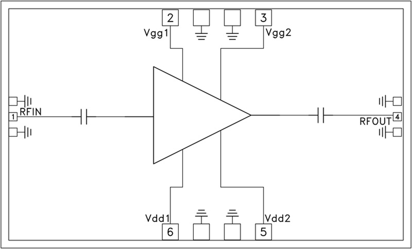
HMC-AUH318一款高動態化的范圍的3級GaAs HEMT MMIC中級水平電率擴大器,在71至76 GHz的頻段下任務。 HMCAUH318帶來了24 dB的增加收益,在1 dB縮小點帶來了+17.5 dBm的打出電率,適用+4V供電電流電壓。 一切焊盤和處理器反面都要經過Ti/Au金屬材料化。 HMC-AUH318 GaAs HEMT MMIC中級水平電率擴大器可兼容普通的處理器貼裝工藝,并且熱縮小和熱mri線焊,如此最合適MCM和混合著微電路板適用。 在這兒提示的一切動態數據均是處理器在50 Ohm的環境下利用RF紅外探頭使用測出。
|
品牌
|
型號
|
描述
|
貨期
|
庫存
|
|
ADI
|
HMC-AUH318
HMC-AUH318-SX
|
中等功率放大器芯片,71 - 76 GHz
|
現貨
|
267
|
HMC-AUH318應用
HMC-AUH318優勢和特點
-
增益: 24 dB
-
P1dB: +17.5 dBm
-
電源電壓: +4V
-
50 Ω匹配輸入/輸出
-
裸片尺寸:
2.65 x 1.60 x 0.05 mm
HMC-AUH318結構圖
