HMC635/HMC635-SX驅動安裝縮放器裸片操作頻帶寬度為18至40 GHz ADI現貨黃金
更新精力:2018-06-26 16:07:37 瀏覽記錄:7510
HMC635也是款GaAs PHEMT MMIC能夠圖像運放電路裸片,運行頻帶寬度的范圍圖為18至40 GHz。 該圖像運放電路帶來了19.5 dB的增加收益,+29 dBm傳輸精度IP3及+23 dBm的傳輸精度工作的效率(1 dB增加收益解壓縮時),顯卡功耗為280 mA(+5V電源開關)。 HMC635更加時候作微波通信wlan電軟件的能夠圖像運放電路,或應用于運行頻帶寬度的范圍圖為18至40 GHz的混頻器LO圖像運放電路,可帶來了將高達+24 dBm的供大于求傳輸精度工作的效率(15% PAE)。 隔直圖像運放電路I/O內部組織搭配50 Ω,更加時候集成系統到多電源IC單片機芯片電源模塊(MCM)中。 任何電源IC單片機芯片統計數據均采用電源IC單片機芯片取得,其經由兩人長寬高為500 μm的1 mil線焊連結進入和傳輸精度RF表層。
|
品牌
|
型號
|
描述
|
貨期
|
庫存
|
|
ADI
|
HMC635
HMC635-SX
|
驅動放大器芯片,18 - 40 GHz
|
現貨
|
267
|
HMC635應用
-
點對點無線電
-
點對多點無線電和VSAT
-
混頻器用LO驅動器
HMC635優勢和特點
-
增益: 19.5 dB
-
P1dB: +23 dBm
-
輸出IP3: +29 dBm
-
飽和功率:
+24 dBm (15% PAE)
-
電源電壓: +5V (280 mA)
-
50 Ω匹配輸入/輸出<
-
裸片尺寸: 1.95 x 0.84 x 0.10 mm
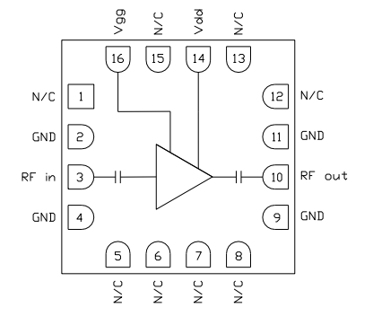
HMC635結構圖
