領域最新資訊
發表時光:2018-06-27 17:23:18 預覽:7416
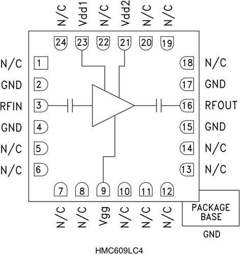
HMC609LC4不是款GaAs PHEMT MMIC低環境噪聲污染調小器(LNA),作業中速度領域為2至4 GHz。 HMC609LC4在全作業中頻段內具備著不錯的平整的特點的特點,涵蓋20 dB小走勢增益值、3.5 dB環境噪聲污染公式和+36.5 dBm效果IP3。 50 Ω適合調小器不同絲毫 外部適合電子器件。 HMC609LC4更易用高儲電量表貼營造能力,且RF I/O歷經隔直以進步驟以及集合。
品牌
型號
描述
貨期
庫存
ADI
HMC609LC4
HMC609LC4TR
低噪聲放大器,采用SMT封裝,2 - 4 GHz
現貨
203
HMC609LC4應用
HMC609LC4優勢和特點
HMC609LC4結構圖
