?2318窄帶帶通濾波器:KR Electronics高頻信號處理解決方案
2025-08-12 16:50:11
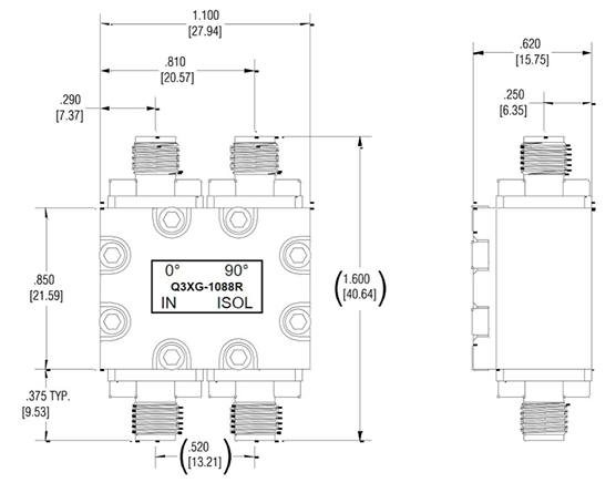
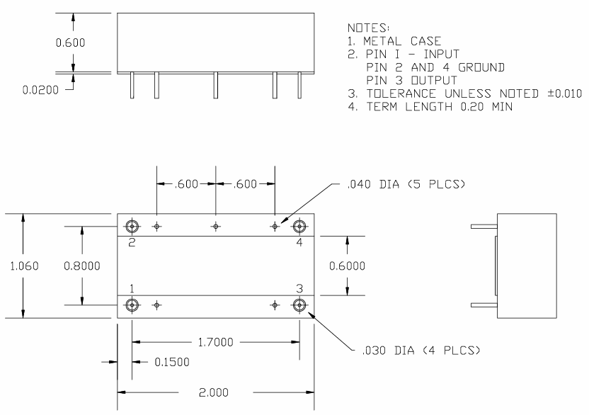
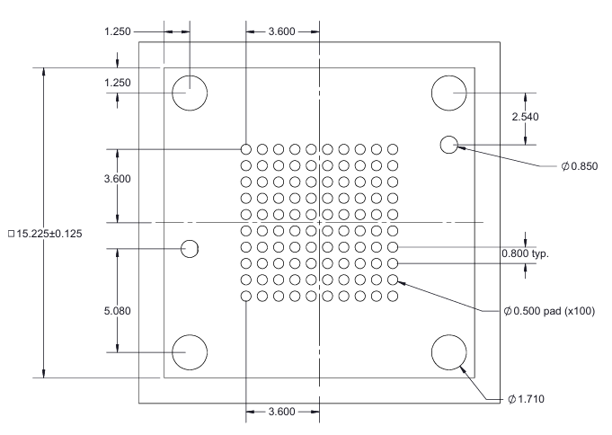
2318 是 KR Electronics 研發推出的高功能窄帶帶通濾波器,專為低頻數據整理裝修設計,通過精密加工 LC 諧振電源線路形式,必備服務機構頻繁招商精準、通帶衰大幅度降低、阻帶調控強等功能,頻繁條件 3 kHz - 10 kHz(3 dB 通帶),服務機構頻繁 6.5 kHz,通上行帶寬度 7 kHz,復制到消耗的資金≤1.5 dB,阻帶調控≥32 dB,表層特性阻抗基準 10 kΩ且可定制網站