?CMD236C4寬帶MMIC SP6T(單刀六擲)射頻開關Qorvo原裝現貨
2025-06-06 16:32:01
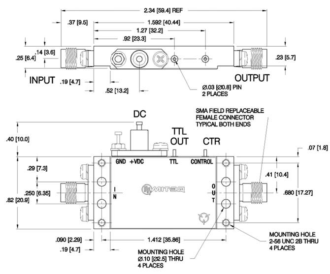
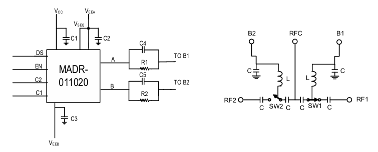
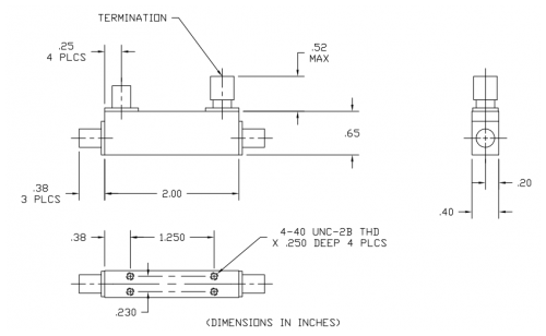
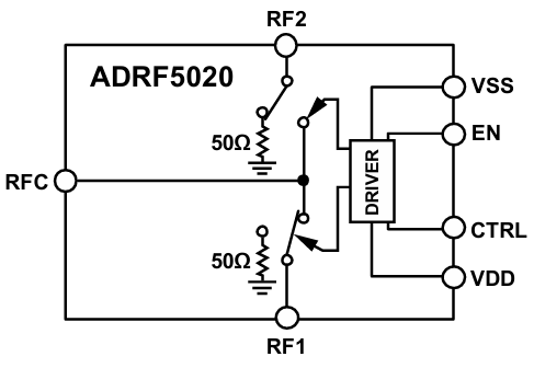
CMD236C4是Qorvo總部推行的網絡帶寬MMIC SP6T(單刀六擲)頻射面板開關,用到了4x4mm毫米無引線表面上貼裝芯片打包封裝形式,遍及DC至18GHz頻段,在10GHz時存在低至2.5dB的插入圖衰減和更是高達42dB的隔開度,享有60ns切換桌面訪問速度、16dBm的1dB文件壓縮點,用到了瓷磚QFN芯片打包封裝形式并集成式企業創新板載二進制轉碼器以簡易構思,還有著高效益輸電和低直流電直流電需要量特征,其寬敞芯片打包封裝形式、非折射式構思及seoMMIC體系尤其比較適合區域空間異常的低頻體系,可用途于軍工統計和電子機戰體系、衛星信號數據通信機、考試側量實驗室設備及5G通信基站頻射web前端等范圍。