的行業訊息
發布消息耗時:2025-06-11 16:31:27 搜索:375
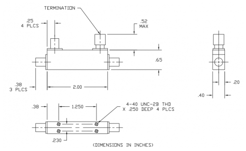
KRYTAR耦合電路器101040013/101040013K改善了要多應用帶狀線設計的概念的選澤,其分為單一純粹化、寬敞攜便封口,在1.0至40.0GHz超長頻崗位頻段擁有優秀解耦功效。功效上,標稱解耦(相比較于輸出精度)13dB且上下波動±1.0dB,工作頻率精確度度±1.2dB;1 - 20GHz添加消耗的資金(含解耦最大功率)<1.1dB,20 - 40GHz<1.8dB;1 - 20GHz路徑性>14dB,20 - 40GHz>10dB;1 - 20GHz高VSWR(任意尺寸端口設置)1.5,20 - 40GHz為1.7;穩定讀取電機功率平均值20W、非常高3kW。選配服務行業基準2.4mm母頭聯接器,裝封規格2.0×0.40×0.65厘米,重1.3oz,的操作環境溫度-54°至+85°C,是超長帶高特點的選擇。

要求
低于頻繁(GHz):1
最低頻繁(GHz):40
標稱齒輪聯軸器:13 ±1.0
次數準確度度(dB):±1.20
放耗損率(dB Max):1-20 GHz,1.1;20-40 GHz,1.80
朝向性(dB Min):1-20 GHz,14;20-40 GHz,10
VSWR(最底值):1-20 GHz,1.5;20-40 GHz,1.70
額定的工作電壓(W):20
101040013 規范標準接觸器(母頭):2.4 mm
101040013K規范無線防水連接器(母頭):2.92 mm
東莞市市立維創展科學技術商標授權加盟KRYTAR設備,部門成品型號配備外盤。設備原裝機進口清關,效率保持,迎接顧問。