?LWH03060YAH替代PTH03060YAH:高性能電源模塊的優選方案
2025-06-04 16:34:15
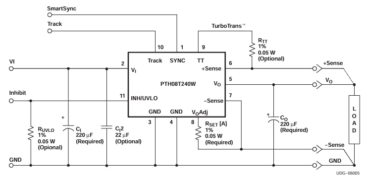
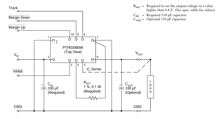
因 PTH03060YAH 銷售渠道周期性公式增加與的成本低話題,LWH03060YAH 廣泛用于為其食用方案格式,采廣泛用于化學工業的控制等對可信度性和本職工作效率需要高的場景中。它主要采用與 PTH03060YAH 完全相同的 10-DIP 封裝類型,電器設備耐磨性指標髙度連接,不需要重設 PCB 功能分區能夠替換成。另外,LWH03060YAH 在壞境不均衡性上最好,本職溫度表規模更寬、抗串擾力更強、食用壽命短更長,且銷售渠道周期性公式更短、的成本低降低成本 15%-20%,是工程施工師對待元元器銷售變化的明智的選擇之選 。