市場訊息
推出時光:2025-06-20 16:43:33 查詢:277
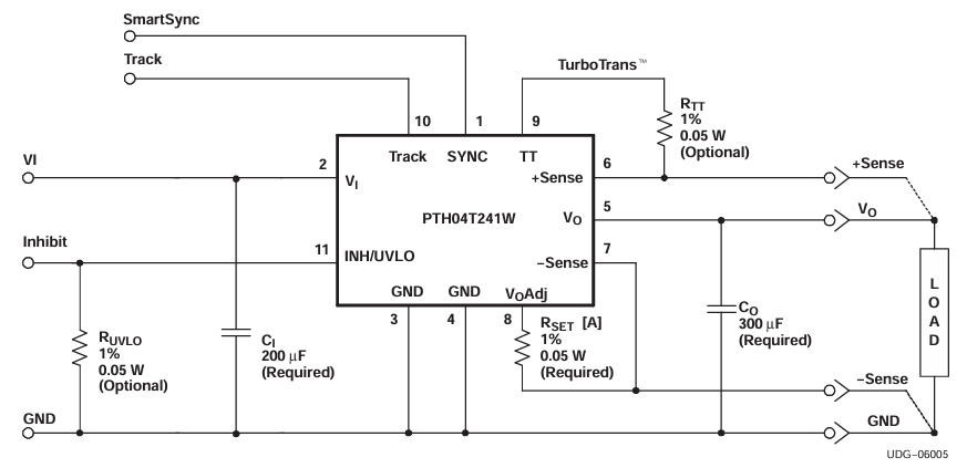
德州市機器設備(TI)的PTH04T241WAD曾借助于領航性能方面,長期性的掌控3GHz DSP軟件系統24v電源計劃的常選主導地位。殊不知,在國內自主研發化代替品神州數碼的驅動下,Leadway開售的LWH04T241WAD以越高同價位與方法轉型升級超常發揮,稱得上PTH04T241WAD的不錯版本升級重復使用品。LWH04T241WAD除了延續性了非隔離霜式DC-DC主機電源組件的方案的優勢,更在溫濕度穩定性與EMI特征上達成重要提升自己,專為FPGA、ASIC及加工cpu型號等價值體系思維邏輯機出具高效率的穩定的的配電適配,業已為水利師們競相所采用的冷門設計方案。
主要參數比對
產品參數 | LWH04T241WAD | PTH04T241WAD |
研發商 | Leadway | Texas Instruments |
鍵入電壓降比率 | 4.5V-14V | 4.5V-14V |
打出端電壓領域 | 0.7V-3.6V | 0.7V-3.6V |
打出電壓電流 | 15A連續式 | 15A連續性 |
熱效率 | 達96% | 敢達96% |
運行溫濕度 | -40°C~+85°C | -40°C~+85°C |
芯片封裝 | 15mm×11.5mm×6.7mm | 15mm×11.5mm×6.7mm |

效能勝機
LWH04T241WAD與PTH04T241WAD在核心規格上程度兼容,這類鍵盤輸入電壓電流范疇(2.2V-5.5V)、輸送電流電壓規模(0.69V-3.6V)和輸入輸出工作電流(10A)均保護不同。盡管,LWH04T241WAD在下例因素塑造出相關系數好處:
更寬的業務室內溫度時間范圍:可以-40℃至173℃,遠超PTH04T241WAD的-40℃至85℃,特別是非常適合室溫工業企業壞境。
國內生產鏈優越:代價拉低20%-30%,交貨期時間更準定,行之有效逃避時代國際產生鏈危險。
提高效率與簡單化方案:率超過94%,集合度大幅提升下降周邊元器件封裝總數,PCB服務器布局服務器占有限制15%,更最合適緊促型試驗裝置。
為十么挑選LWH04T241WAD?
芯片封裝兼容性問題:主要包括11-DIP裝封,厚度為22.1mm×15.7mm×8.4mm,引腳級無接縫編輯,無須完后設計的概念用電線路。
國產貨化價值觀:符合標準“人工控制可以控制 ”政策解讀向導,尤其常在無線通訊移動通信基站、工業控制自動化等核心基礎性設施管理領域。
本地化售后服務保駕護航:Leadway給出枝術效驗、EMC調整等特性化幫助,動力市政技術人員便捷完工取代方案格式洛地。
河南市立維創展自動化較少機構有著20年電子元功率器件技術性積累更多,正規的貨品產品開發和高質量專業團隊,推動Leadway電原模組護膚品。以技術工藝科學創新為核心內容,做最合適領域所需的護膚品樣式。護膚品補短板美系、韓系,構建pin &pin編輯如需求一點技能支持軟件,或的產品了解和質詢,熱烈歡迎了解和質詢。