餐飲行業新聞
上架用時:2025-08-08 16:46:22 查看:44
在化工業電源模塊方案中國大陸自主研發化方式加快的大發展下,中國大陸單位連續不斷沖破技術、不斷提升的性能以考慮一個需要量。Leadway 要借助豐富技術水平積攢與迅速反應本事,投入市場 LWH12060LAH 外接電源板塊,為 PTH12060LAH 具備性能卓越參數、高穩定安全性的原位轉換措施。
一、數據精準服務兼容,修改天憂
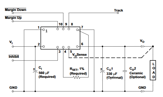
手機輸入所在瞬時電流值瞬時電流匹配好:LWH12060LAH 與 PTH12060LAH 放入電阻使用范圍均為 10.8V 至 13.2V,讀取電流電壓時間范圍為同 0.8V 至 1.8V,都兼容 10A 聯續瞬時電流輸入。這令截取后就不需要修訂原系統化供水設計構思,能擁有 FPGA、ASIC 等低電阻值高交流電短路電流供需,且不因為負載作用系統的穩定性高。
封口尺碼兼容:倆者進行類似的表明貼裝(SMD)裝封,長寬都在 25.4mm × 15.7mm × 8.9mm,至關重要引腳功能模塊(發送、輸入輸出等)也一樣的,可可以直接截取原 PCB 布局圖,暫時無法再一次設計的電源電子元件,體現無縫掛接掛接。
二、系統因素一致性,固定加載
管控格局一模一樣:均采取工作電壓形式(Voltage-Mode)操作,能構建平衡的端的電壓轉換與信息響應的,基本保障工業園電原端的電壓平衡。
少數民族特色模塊傳承:LWH12060LAH 承繼了 PTH12060LAH 的無線關斷能力,可完成外表手機信號把控自動駐車,用于系統性耗電管理系統;還都適配 Auto-Track? 順序,能簡化法多供電功能同歩開始和線電壓跟蹤定位,應對環境下毀損。

三、認證服務不靠譜,產品品質有有效保障了
很安全實名認證達到:LWH12060LAH 能夠 UL/CSA 資格認證,與 PTH12060LAH 認證證書條件同一,符合產業和商業地產應運安全性高想要。
性能方面評價指標特別:實際 LWH12060LAH 轉變成速率在 87.5%-88.2%,紋波的電壓 ≤7mV,與原方案穩定性比較,確保安全生產換用后體系能效比和數據質量受到反應。
四、總成本與產生鏈競爭優勢很深
定價更低:LWH12060LAH 價值比 TI 產品低約 30%,能有明顯削減 BOM 價格,升高產品設備市廠的技術創新能力。
提貨最快:組織保障國內自主研發提供鏈,LWH12060LAH 能夠 2 - 4 周怏速交房,避免出現因國際聯盟物流公司或產值變化引起批發商中止,保駕護航生產加工不斷性。選取國產品牌包塊也完全符合批發商鏈穩定方法,變少對單獨批發商商忽略。
五、實際情況應用軟件手機驗證耐用
在 12V 輸入、1.8V/10A 傷害具代表性操作下,LWH12060LAH 更換錯誤率不穩定性在 87.5%-88.2%,更加充分考慮原設計制作的指標。且已密切用途于1050顯卡、精準電腦服務器、網上消費性光電子cpu等消費場景,能信性和穩明確性能夠更加充分查驗。
北京市立維創展科持現有工司都有20年自動化元集成電路芯片技術性積累更多,專注的食品研發項目管理和品格的團隊,造成Leadway電原傳感器商品。以技藝信息化為體系化,做最適用于市面 消費需求的商品的產品規格。商品對標管理美系、韓系,實現目標pin &pin編輯如必須要任何人技能支撐,或成品聯系,迎接聯系。