職業內容
發布了用時:2025-07-08 16:43:31 訪問:111
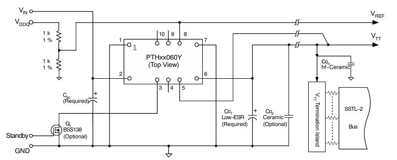
在簡化羅馬數字系統性交流電源設計方案中,TI(濰坊測量儀器)的PTH05060YAH模塊圖片因比較穩界定可用DDR/QDR運存串口通信終端門店變電控制系統而具有廣泛性便用,但由于國內生產24v電源技木的發展方向,Leadway創立的LWH05060YAH可無接縫方式原規格型號,二者之間在電力功能、封裝形式盡寸及軟件應用層面上極高兼容,且國產系列解決方案在人工成本、供應商鏈保持穩確定和認知特性等方面更為有優越。
產品參數差距
技術指標 | LWH05060YAH | PTH05060YAH |
讀取相電壓面積 (V) | 4.5~5.5 | 4.5~5.5 |
內容輸出交流電壓超范圍 (V) | 0.55 ~ 1.8 | 0.55 ~ 1.8 |
模擬輸出電壓電流 (A) | 10 | 10 |
最大的轉換耗油率 (W) | 18 | 18 |
運轉體溫範圍 (℃) | -40 ~ 231 | -40 ~ 85 |
速度 (%) | 86 | 高能達到 91 |
封裝類型、類型、 | 10-DIP | 10-DIP |
封裝類型大小 (mm) | 25.4 x 15.7 x 8.9 | 25.4 x 15.7 x 8.9 |
底部隔離電阻 (V) | 一般 為 1500V DC | 一般為 1500V DC |
養護功能表 | 過壓、欠壓、過流等 | 過壓、欠壓、過流等 |

換用可實施性
電氣公司能力兼容
l 插入/讀取端電壓、感應電流、速率等關鍵點參數表適合,要求中平率 DC-DC 更換器、VRM(輸出功率把控模組)等的場景所需。
l 導出輸出功率可變功效(用內阻布置)與 PTH05060YAH 不一樣,適用人群靈便分配。
成本投入與出售鏈優勢與劣勢
l 價格優越性:Leadway 做國產系列公司,LWH05060YAH 單價低過加拿大項目,大批量進貨成本投入優勢與劣勢特別。
l 生孩子鏈平穩性:國產情況報告極大減少對進口清關處理器的依耐,預防缺貨風險分析,選適用長年性生孩子策劃。
應運科技領域
倆者均常使用在幾處理器模式、DSP、微把握器送電、DDR/QDR 保存器數據總線網絡終端等動畫場景,LWH05060YAH 在的溫度適宜力(如 LWH05060WAH 平均溫度空間達 -40℃~116℃)和能效比檔次上展示最好質。
挑選建立
l 可以替換:若原裝修設計操作 PTH05060YAH,LWH05060YAH 可隨便代替,就不需要調控電路板來設計或 PCB 功能分區。
l 使用性能升到:對能耗等級比、室內溫度適應適當力實力有更高一些需要的場景中,高性價比首選LWH05060YAH 或其類似設備(如 LWH05060WAH)。
l 的成本敏感脆弱的項目:國產系列方案怎么寫可極大減少 BOM 成本投入 20%~30%,可在于一鍵化工作。
杭州市立維創展自動化有限制的我司有20年自動化元電氣元件封裝技術積累更多,非常專業的好產品創新和的質量微商團隊,贏得Leadway24v電源摸塊車輛。以技術水平創新性為核心區,做最最適合領域要的車輛要求。車輛對比美系、日韓風,保持pin &pin編輯如必須要 每能力搭載,或廠品了解,歡迎辭了解。
PTHXX060Y系例DC-DC轉型器的好產品展示頁:
搜索端電壓 | 器件代碼 | 描繪 | 無鉛和符合國家RoHS條件 | 機制打包封裝 |
3.3 V | PTH03060YAH | 品質通孔 | 是 | EUW |
PTH03060YAS | 基準SMD | 否 | EUY | |
PTH03060YAZ | 要選SMD | 是 | EUY | |
5 V | PTH05060YAH | 水準通孔 | 是 | EUW |
PTH05060YAS | 規范標準SMD | 否 | EUY | |
PTH05060YAZ | 待選SMD | 是 | EUY | |
12 V | PTH12060YAH | 層次通孔 | 是 | EUW |
PTH12060YAS | 標準規定SMD | 否 | EUY | |
PTH12060YAZ | 能選SMD | 是 | EUY |