市場資迅
發部時候:2025-07-22 16:39:04 打開網(wang)頁:68

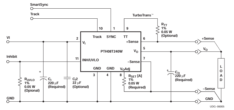
在工(gong)業(ye)企(qi)業(ye)有效控(kong)制(zhi)、安全不(bu)靠譜機械設(she)備等最為(wei)關鍵(jian)的應用(yong)科技(ji)領域科技(ji)領域中,電包塊(kuai)的不(bu)靠譜性與不(bu)靠譜性始(shi)終保(bao)持(chi)是主導(dao)對比考量問題。長時(shi)間至今(jin),TI機構退(tui)出的PTH08T240WAD開(kai)關電源開(kai)關模組用(yong)其(qi)的能力優越,名(ming)列市(shi)面 流行道(dao)德水準(zhun)。盡管,發(fa)(fa)生變(bian)化近期來國產(chan)開(kai)關電源開(kai)關模組生產(chan)商的能力戰斗力的為(wei)顯著優化,施工(gong)師們(men)當今(jin)具有了富有寡頭壟斷力的代用(yong)方案設(she)計(ji)。進來,Leadway集團產(chan)品研發(fa)(fa)的LWH08T240WAD外接(jie)電源適配器控(kong)制(zhi)器,仰仗其(qi)菁英(ying)的耐腐蝕性成(cheng)績與傳統化生產(chan)鏈好處,正穩步變(bian)成(cheng)水利師在外接(jie)電源適配器控(kong)制(zhi)器代用(yong)設(she)計(ji)中的挑選方案格式。
運作評測
工(gong)作 | PTH08T240WAD | LWH08T240WAD |
輸出電阻(zu) | 4.5 V – 14 V | 4.5 V – 14 V |
效果交流電壓(ya) | 0.69 V – 5.5 V | 0.69 V – 5.5 V |
打出電(dian)流(liu)值 | 10 A | 10 A |
其(qi)最典型的高(gao)效率 | 95 % | 95 % |
作業熱度(du) | –40 °C ~ +85 °C | –40 °C ~ +125 °C |
裝(zhuang)封(feng)/尺寸規格 | 11-DIP,22.1×15.7×8.5 mm | 11-DIP,22.1×15.7×8.6 mm |
性能(neng) | 遠(yuan)距(ju)離開關按(an)鈕、內容(rong)輸出隨意調節 | qq遠程旋轉開關、模擬輸出可手動調節 |
供貨鏈 | 12周(zhou)以內 | 產的,交貨期 1-2 周 |
完美(mei)無缺更換的(de)原位使(shi)用徹底解決細則(ze)
LWH08T240WAD電源(yuan)線模組出(chu)具(ju)與(yu)PTH08T240WAD高(gao)寬比兼容的原位代替品計(ji)劃方案。它主要(yao)采用(yong)與(yu)PTH08T240WAD齊(qi)全一樣(yang)的11-DIP二極管封裝(zhuang),尺寸(cun)為22.1mm×15.7mm×8.6mm,引(yin)腳表述和一體化圖片尺寸(cun)均做到(dao)不符。這樣(yang)的設(she)(she)(she)(she)計(ji)方案使LWH08T240WAD就能夠直觀編輯(ji)現有規格,不要(yao)對PCB調整布局(ju)實施某(mou)些(xie)重設(she)(she)(she)(she),切實達到(dao)了“即插(cha)即用(yong)”。此種(zhong)功能明顯地減少了設(she)(she)(she)(she)計(ji)的概念更變的安全風險和工程建筑(zhu)直接費用(yong),需要(yao)符合已大量生產專用(yong)設(she)(she)(she)(she)備展開核心部(bu)件升到(dao)或制(zhi)造鏈設(she)(she)(she)(she)定,注力公(gong)司企(qi)業(ye)怏速(su)回應市揚轉化。
LWH08T240WAD電包塊的(de)差(cha)異性化(hua)行業競爭強勢(shi)
優秀的耐(nai)常溫耐(nai)腐蝕性
LWH08T240WAD電源線接(jie)口的(de)工做體溫區域擴張至(zhi)-40℃至(zhi)125℃,相比較PTH08T240WAD的(de)-40℃至(zhi)85℃,有著更強的(de)耐(nai)高溫作(zuo)業(ye)程度。一項屬性使其特殊選使用極端天氣環鏡(jing)或高溫作(zuo)業(ye)作(zuo)業(ye)產業(ye)游戲場景,如室內(nei)數據通信信號塔天線、汽(qi)年網(wang)絡等,保障設(she)備在嚴重標準下仍能穩定可靠電腦運行(xing)。
人(ren)工成本與批售鏈優點
利潤降:用作國內電源適配(pei)器功能模塊(kuai),LWH08T240WAD的價(jia)格(ge)多少一般而(er)言大于進口(kou)報關商品,可關心(xin)制造業企業下降10%-30%的集中采購成本預算,可行增強店鋪(pu)生意利潤區域空間(jian)。
批售(shou)鏈彈性明顯增強(qiang):受(shou)展覽(lan)經(jing)濟形勢(shi)會影響較小,LWH08T240WAD的(de)交房(fang)周(zhou)期時間更(geng)短,一般說來只(zhi)需1-2周(zhou),能(neng)夠應對了缺貨分險,保(bao)駕護航了出產(chan)的(de)陸(lu)續性。
國內生產(chan)的化相關政(zheng)策支撐
LWH08T240WAD供(gong)電信(xin)息(xi)模塊按(an)照在(zai)國(guo)內“信(xin)創”政(zheng)策解(jie)讀抓手(shou),專門選(xuan)用(yong)在(zai)以政(zheng)府(fu)、航(hang)天(tian)軍工等對廠(chang)家直銷鏈數字化(hua)閉(bi)環追(zhui)求要嚴(yan)格的(de)前沿技術,保(bao)駕護(hu)航(hang)商家體現(xian)國(guo)廠(chang)化(hua)用(yong)于,升高廠(chang)家直銷鏈安全的(de)性(xing)。
用的場(chang)景
l 工農業把控域:應(ying)用做PLC、直流變頻空調器(qi)、交流伺服電機驅(qu)使器(qi)等(deng)是需要高(gao)可以(yi)信(xin)賴性(xing)外接電源的(de)場合,確保安(an)全生產主設備穩(wen)定性(xing)高(gao)自動(dong)運行。
l 無線(xian)通(tong)信(xin)主(zhu)設(she)備方面:適宜于5G基站設施(shi)、光電模塊(kuai)、相互核心交換(huan)機等對溫(wen)融入性(xing)想要高的設施(shi),充分(fen)滿足僵化生(sheng)態下的電要求(qiu)。
l 車電子無(wu)線(xian)域:常主(zhu)要用于車載式(shi)沖電(dian)機、干電(dian)池管理(li)工作(zuo)控制系統(tong)(BMS)等耐中(zhong)高(gao)溫不一(yi)樣,上升小轎車電(dian)子裝備(bei)裝備(bei)的靠普性(xing)和可靠性(xing)性(xing)。
上海市立維創展高新科技十分有限機構得到20年電子設備元集成電路芯片工藝掌握,專業的的食品科研和高品質微商團隊,創造Leadway24v電(dian)源信息模塊服(fu)務(wu)。以能力(li)創新性為核(he)心區,做最(zui)合適市(shi)場的使用需求的服(fu)務(wu)食(shi)品規格。服(fu)務(wu)標桿美系、日韓風,完成pin &pin轉換如都(dou)要隨便技術水(shui)平(ping)支撐,或成品了(le)解,歡(huan)迎語了(le)解。