產業新聞資訊
發表用時:2025-07-29 16:38:41 訪問:63

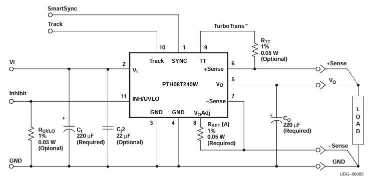
LWH08T240WAH做為日本產高能電原模塊電源,在電力設備參數表、封裝圖片尺寸及引腳實用功能上與TI的PTH08T240WAH仍然兼容,需要會實現了換用。其含有更寬的事情濕度時間范圍(-40°C 至 +117°C)及可選質的提供鏈安全性,同一時間總成本更低,廣泛用于于通訊機 機 、工藝設定軟件系統等對耐用性和性價比的高低規范要求嚴謹的場面。
技術參數可比性
型號規格 | PTH08T240WAH | LWH08T240WAH |
插入電阻值區間 | 4.5 V – 14 V | 4.5 V – 14 V |
內容輸出端電壓使用范圍 | 0.69 V – 5.5 V(調節器) | 0.69 V – 5.5 V(能調) |
電機額定功率內容輸出電流值 | 10 A | 10 A |
谷值速度 | ≈ 95 % | ≈ 95 % |
芯片封裝/引腳 | 11-DIP(22.1 mm × 15.7 mm × 8.6 mm) | 11-DIP(22.1 mm × 15.7 mm × 8.6 mm) |
工作任務室內溫度 | –40 °C ~ 100 °C | –40 °C ~ 176 °C |
引腳舉例 | 1-to-1 代表 | 1-to-1 分屬 |
代替品特色
l 可可以替換成:焊盤、相對高度、引腳先后順序是類似,不要改線或再次打樣。
l 特點提升自己:LWH08T240WAH 在越來越高環鏡平均溫度(176 °C)仍舊可不可以滿艙業務,促使排熱設計方案。
l 耐溫度性能參數:LWH08T240WAH 使用的溫度的范圍更廣(-40 °C ~ +117 °C),適用性于耐酸堿時候工業品室內環境或極其時候經濟條件。
l 價值特點:國內化的LWH08T240WAH 常常具有著價值優勢與劣勢,促進下降總布局系統材料費材料費。
l 現貨供應鏈融資動態平衡性:LWH08T240WAH 受國.際國內形勢反應較小,銷售鏈更緊定,會效果正確引導保護英文產量不間斷性。
軟件動畫場景
電訊設施:如基站天線、路由器等,對電壓控制器的增強性和安全保障性標準較高。
化學工業掌控平臺:如 PLC、DCS 等,是需要電模塊圖片在極端化氛圍下穩定的工作的。
另一教育領域:如業務器電腦主板、數劇公司等,對外接電源模塊電源的高效率和投入有較高需求。
鄭州市立維創展科學技術限制工司收獲20年網上元電器元件能力1個,靠譜的軟件新產品開發和好品質銷售團隊,推動Leadway電源適配器方案車輛。以的技術企業創新為核心思想,做最適于市場上供給的車輛規格。車輛標桿美系、日韓風,控制pin &pin復制如需每枝術可以,或成品咨訊,的歡迎咨訊。