業內信息
推送耗時:2025-07-16 16:44:01 閱讀:108

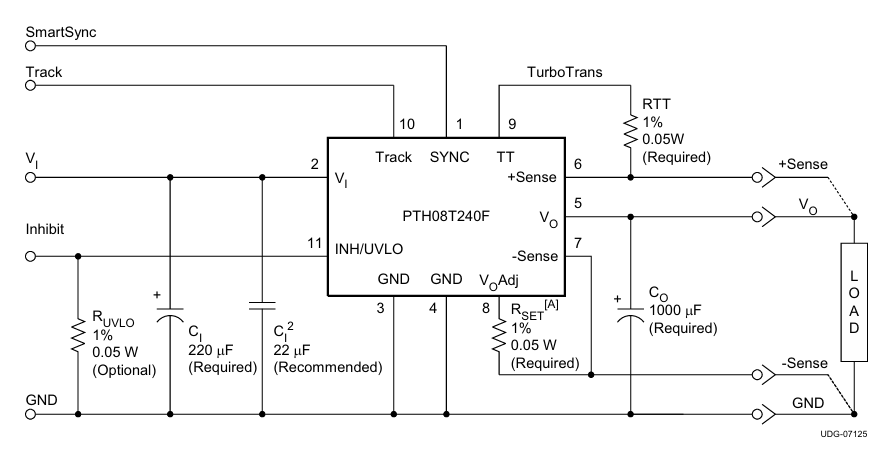
在(zai)供電模(mo)(mo)組的(de)(de)選(xuan)(xuan)擇的(de)(de)過程中,滄(cang)州分析儀器(qi)(TI)旗下的(de)(de)的(de)(de)PTH08T240FAD通(tong)過其優越(yue)的(de)(de)高機械性(xing)能和相(xiang)對(dui)(dui)穩明確,在(zai)工業園的(de)(de)控(kong)制平臺(tai)、數(shu)據(ju)通(tong)訊儀器(qi)等(deng)非常(chang)多的(de)(de)領域實現非常(chang)廣泛APP。但是,伴隨著(zhu)目前(qian)中國(guo)電子為了滿足電子時代成長的(de)(de)需求(qiu)量,制造(zao)行(xing)業的(de)(de)盡快成長,對(dui)(dui)電源適配器(qi)版塊(kuai)國(guo)內生產化(hua)帶(dai)替的(de)(de)需求(qiu)量不(bu)斷凸出,機構爭先(xian)恐后地加入挖掘費用更(geng)低、批(pi)發商鏈更(geng)相(xiang)對(dui)(dui)穩定(ding)的(de)(de)小眾化(hua)很好(hao)解決設計(ji)方(fang)案。在(zai)這里游戲 背景下,Leadway停售(shou)的(de)(de)LWH08T240FAD電壓控(kong)制模(mo)(mo)塊(kuai)歸功于其與PTH08T240FAD長度(du)識(shi)別的(de)(de)電器(qi)叁數(shu)、兼(jian)容(rong)的(de)(de)芯片(pian)封裝制作,以至(zhi)于更(geng)有(you)(you)競爭與合作力的(de)(de)人(ren)工投(tou)資成本(ben)優劣勢,作為無數(shu)建(jian)筑(zhu)項(xiang)目師(shi)和選(xuan)(xuan)購(gou)方(fang)在(zai)德國(guo)進口化(hua)用作中的(de)(de)夢想抉(jue)擇,合理(li)有(you)(you)效推助公司影響選(xuan)(xuan)購(gou)人(ren)工投(tou)資成本(ben)并增(zeng)強批(pi)售(shou)鏈彈性(xing)。
參數值相比
品(pin)牌 | PTH08T240FAD(TI) | LWH08T240FAD(Leadway) |
鍵盤(pan)輸(shu)入電(dian)流電(dian)壓 | 4.5 V – 14 V | 4.5 V – 14 V |
打出(chu)電阻(zu)值 | 0.69 V – 2 V | 0.69 V – 2 V |
內容輸出(chu)電(dian)流大小(xiao) | 10 A | 10 A |
速度 | 90 % | 90 % |
本職工作環境溫度 | –40 °C ~ +85 °C | –40 °C ~ +117 °C |
封裝形式/厚度(du) | 11-DIP,22.1×15.7×8.5 mm | 11-DIP,22.1×15.7×8.6 mm |
功能表 | 遠程(cheng)關機啟閉、傳輸隨意調節 | 遠程視(shi)頻電源開關、所在(zai)調節 |
用作(zuo)主要優勢
濕度面積更廣(guang):
l LWH08T240FAD遺產繼承LWH類型(xing)的(de)耐較高溫度(du)特(te)征,其運行溫度(du)超范圍遠(yuan)優于PTH08T240FAD的(de)-40℃ - 85℃,采(cai)用在耐低溫天汽輕工業自然環境或惡劣天汽水平。
投入更(geng)低:
l 國產(chan)系列化的LWH08T240FAD一般說來(lai)具備著人(ren)工成本(ben)低長處,有利于促進減輕局部(bu)系統化人(ren)工成本(ben)低花費。
批發(fa)商(shang)鏈(lian)更平衡性:
l LWH08T240FAD受國.際(ji)新(xin)形勢的影(ying)響(xiang)較小,出售鏈更緊定,要能更優(you)質(zhi)地(di)運(yun)維生產方(fang)式(shi)不間斷性。
封裝(zhuang)兼容:
l LWH08T240FAD安全使用與PTH08T240FAD重復的(de)11-DIP封(feng)裝形式,可(ke)直觀復制(zhi),必須修正(zheng)PCB頁面(mian)布局(ju)。
LWH08T240FAD可(ke)可(ke)以轉換(huan)PTH08T240FAD,需(xu)修(xiu)改電路設置空間布局,適合(he)于無線通訊環(huan)保設備、工業生產調控系統的等(deng)領(ling)域(yu)。其高(gao)兼容(rong)模式與國內制造鏈長處,是項目師取代設置的人(ren)生理想(xiang)抉擇。
山東市立維創展科技信息比較有限裝修公司有了20年光學元元件方法積累更多,專業性的好產品產品開發和產品品質團體,鑄就Leadway供電(dian)信(xin)息(xi)模塊服務。以(yi)技(ji)術(shu)工藝轉型升級為重點,做(zuo)最適宜的市(shi)場具體需求的服務技(ji)術(shu)參數。服務看齊美系、日韓(han)風,保證(zheng)pin &pin刪(shan)除如(ru)可以(yi)其余技(ji)藝兼容,或商品詳詢,歡迎會詳詢。