企業新聞資訊
上傳日子:2025-06-16 16:34:59 搜索:284
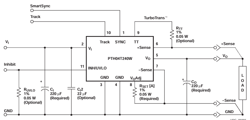
在高速公路進展的光電子元配件相關行業中,電源信息模塊信息模塊的選擇進行決定系統軟件平衡性和產業發展鏈安全性。滄州醫療儀器(TI)的PTH04T240WAD就擔心優等的耐腐蝕性成為3GHz DSP操作系統的最好電方案設計,雖然如今產的化使用趨勢分析的高速度,Leadway投放市場的LWH04T240WAD單憑最高性價比高與系統科技創新,作為工程建設師們的熱們選取。
運作相比:
運作 | LWH04T240WAD | PTH04T240WAD |
讀取電阻範圍 | 2.2V - 5.5V | 2.2V - 5.5V |
工作輸出電壓值比率 | 0.69V - 3.6V | 0.69V - 3.6V |
轉換電壓 | 10A | 10A |
事情溫濕度領域 | -40℃ - 173℃ | -40℃ - 85℃ |
學習效率 | 94% | 94% |
封裝 | 11-DIP | 11-DIP |
長寬(mm) | 22.1 x 15.7 x 8.4 | 22.1 x 15.7 x 8.4 |

重復使用主要優勢:
l 更寬的熱度范疇:-40℃ - 173℃,采用在高熱企業生活環境。
l 國產車供應商鏈其優勢:利潤縮減約20%-30%,交付的周期更準定,避免出現國際聯盟批發商鏈風險分析。
l 一級能效小型化:吸收率高達hg94%,達到絕基本都基本上選用的場景。
l 二極管封裝兼容:11-DIP裝封,要求均為22.1mm×15.7mm×8.4mm,兼容引腳級無縫無縫拼接無縫拼接復制。
為甚會選擇LWH04T240WAD?
來設計自制化
集成型度升級削減外邊配件用量,PCB平面布置環境損壞增多15%,特別適用于密集型系統設計。
國產化幣值
足夠“隨時升級可控硅調光”證策導識,尤為適用性于通信設備移動基站、工控設備重新化等重要的核心配套設施的領域。
服務于切實保障
Leadway能提供當地化科技的服務,涉及重命名預案核實、EMC系統優化等個性文字化精準服務。
蘇州市立維創展科技公司有限的公司有著20年自動化元電子器件水平積累更多,專門的的產品產品開發和品行專業團隊,擁有Leadway電模塊圖片產品。以工藝革新為體系化,做最適于股票市場的需求的產品規格為。產品對標管理美系、日系小清新,建立pin &pin替代如可以所以枝術支持軟件,或食品資訊,青睞資訊。