行業中資訊、短視頻軟件
披露時間:2025-05-28 16:30:31 查詢:346
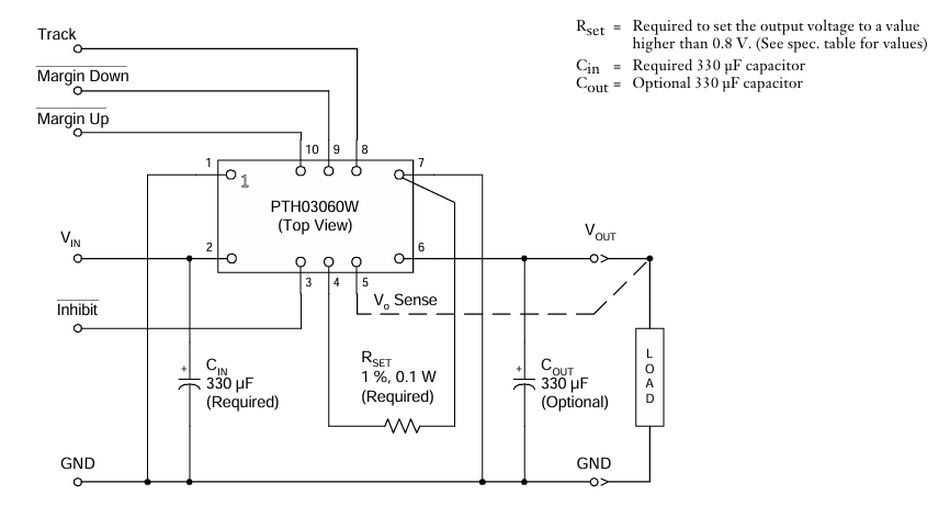
在主機電源包塊挑選中,PTH03060WAH就是款典型的高性能DC/DC電源模塊,但主動臨交貨壽命或利潤狀況時,建設機械工程師還要去尋找用于計劃書。LWH03060WAH可當為PTH03060WAH的重復使用規劃,針對在工藝抑制、光纖通信系統及測試圖片測量儀器等對準確性和錯誤率特殊要求較高的場所中,這兩種在工藝性能參數和功能鍵上具備有高速兼容性設置。
LWH03060WAH方式PTH03060WAH的優質:
打包封裝與兼容性問題
裝封文本框樣式一樣的:LWH03060WAH和PTH03060WAH均選用10-DIP二極管封裝版式,規格為25.4mm x 15.7mm x 8.9mm,引腳分類和裝配形式基本不一樣,可直接性修改原電線中的PTH03060WAH,就不需要改造PCB功能分區。
組合件使用性能
導入的輸出的范圍不符:LWH03060WAH的錄入工作電壓超范圍為2.95V至3.65V,傳輸電壓降可變范圍圖為0.8V至2.5V,很大傳輸瞬時電流10A,與PTH03060WAH的參數指標完完全全自動匹配,確定電路原理模塊安穩。
成功率相對:倆者能力均為93%,在類似過載要求下工作電壓和發高燒量關鍵一直,不須變動風扇散熱構思。

事業室溫時間范圍
更寬的低溫轉變性:LWH03060WAH工做環境溫度位置為-40℃至126℃,而PTH03060WAH為-40℃至85℃。LWH03060WAH在高濕條件下的穩固性最好,比較合適炎熱沿海地區或對高濕有層次性規范要求的化工應用領域。
產生鏈與價格
交貨時間段更短:LWH03060WAH的交期階段一般來說為4至6周,而PTH03060WAH有機會因的市場制造時候縮短至8至12周。
總成本的優勢:LWH03060WAH的標價較PTH03060WAH低約15%至20%,成批回收時成本費用增加更顯著的。
太久牢靠性
人類壽命周期時間更長:LWH03060WAH的方案使用期壽命為10年,而PTH03060WAH為8年,變少了設施運維和變更的平率。
抗擾亂效率更強:LWH03060WAH在工業化區域中的渦流兼容模式突出表現更好,更適合有難度渦流區域下的運用。
佛山市立維創展科持有限制的集團公司獲得20年電子設備元電器元件封裝技術應用積累更多,專業的的類產品設計開發培訓和好品質隊伍,成為Leadway電源線組件成品設備設備。以技木不斷創新為體系化,做最可以領域訴求的成品設備設備尺寸規格。成品設備設備看齊美系、日韓風,變現pin &pin替代如所需其它技木扶持,或新產品了解和咨詢中心,祝賀了解和咨詢中心。
Leadway材質 | 可更換TI規格型號 | 設置額定電壓范圍圖 | 的輸出交流電壓超范圍 | 效果直流電壓 | 作業體溫時間范圍 | 錯誤率 | 封裝大小 (LWH) |
LWH03060WAH | PTH03060WAH | 2.95~3.65V | 0.8 ~ 2.5V | 10A | -40℃ ~ 126℃ | 93% | 10-DIP 25.4mm x 15.7mm x 8.9mm |