行業中快訊
上架時間段:2025-06-10 16:35:58 打開網頁:328
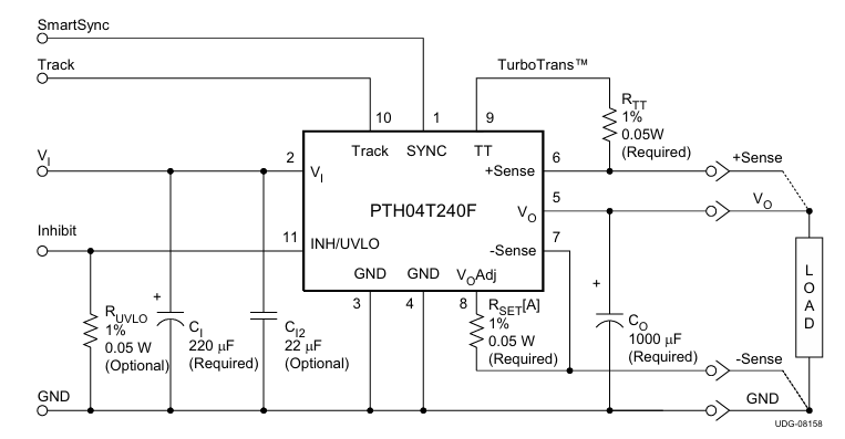
在開關電源接口的調試時中,德州市分析儀器(TI)集團的PTH04T240FAD系類電源功能功能曾用其優質的能表現形式,形成3GHz DSP軟件的最佳的選擇開關電化解工作方案。但科學形勢引領下,開關電功能模塊新技術的持續科技創新。在此,LWH04T240FAD一系列單憑較高而且性價比與比較好性能熱門登場。它實際上詳細完整調取PTH04T240FAD的資源優勢,我還在能效比標示和體統集合度上達到飛渡。萬元產值能耗品級高,可較低能耗、掌握總成本;集合度發展,還簡化來設計、提高空間占用量。
技術指標相比
指標 | PTH04T240FAD | LWH04T240FAD |
鍵入電壓電流面積 | 2.2V~5.5V | 2.2V~5.5V |
輸送直流電壓的范圍 | 0.69V~2.0V | 0.7V~2.0V |
傳輸工作電流 | 10A | 10A |
工作任務室溫依據 | -40℃~85℃ | -40℃~124℃ |
能力 | 高達 94% | 91% |
封裝 | 11-DIP | 11-DIP |
規格尺寸 (L*W*H) | 22.1mm x 15.7mm x 8.4mm | 22.1mm x 15.7mm x 8.4mm |

換用優缺點
電因素與穩定性
- 成功率:LWH04T240FAD 的速率為 91%,與 PTH04T240FAD 相同,就可以充分考慮有有效率電壓轉化成的需求分析。
- 工作中溫度:LWH04T240FAD 的事情水溫為 -40℃至 124℃,比較較 PTH04T240FAD,其累計溫暖更高的,能符合更完全的環境溫暖。
- 模擬輸出端電壓條件:LWH04T240FAD 的效果相電壓範圍為 0.7V 至 2V,與 PTH04T240FAD 的 0.69V 至 2.0V 設計方案相類似,才能擁有相類似的的電壓把控實際需求。
封裝形式與產品規格
- 封裝類形:雙方都用 11-DIP 封裝類型,引腳確定同等,就能實行無逢銜接復制。
- 規格型號:LWH04T240FAD 的寬度為 22.1mm x 15.7mm x 8.4mm,與 PTH04T240FAD 的尺寸關鍵差不多,都可以保障電學安裝的使用的使用兼容模式。
代價與制造
- 成本費優勢可言:Leadway對于國內自主研發化混用策劃方案,一般 是在總成本費用上更有惡性國際競爭力,才可以作用減低總成本費用。
- 供給可靠性:德國進口充當在供給上更可靠,受亞太形勢影向較小,可更強地保駕護航供給鏈的可靠性。
同一優越性
- 國內生產的化方式:LWH04T240FAD 做為德國國外改用,不利用提高現貨物流外包的自主學習性,限制對國外品牌的根據。
- 技術應用服務培訓:Leadway 是 帶替生產商,要能帶來一些技術精準服務,關心買家更佳地利用帶替物料。
蘇州市立維創展自動化有局限企業占有20年電子元電子器件方法積聚,非常專業的設備研發項目管理和品控銷售團隊,成就Leadway電源適配器模組品牌。以技術水平創新發展為體系化,做最時候整個市場實際需求的品牌標準。品牌對比美系、日韓風,構建pin &pin替換成如必須要 其他水平大力支持,或貨品咨詢中心了解,青睞咨詢中心了解。