企業最新資訊
推送日期:2025-06-18 16:36:56 瀏覽記錄:325
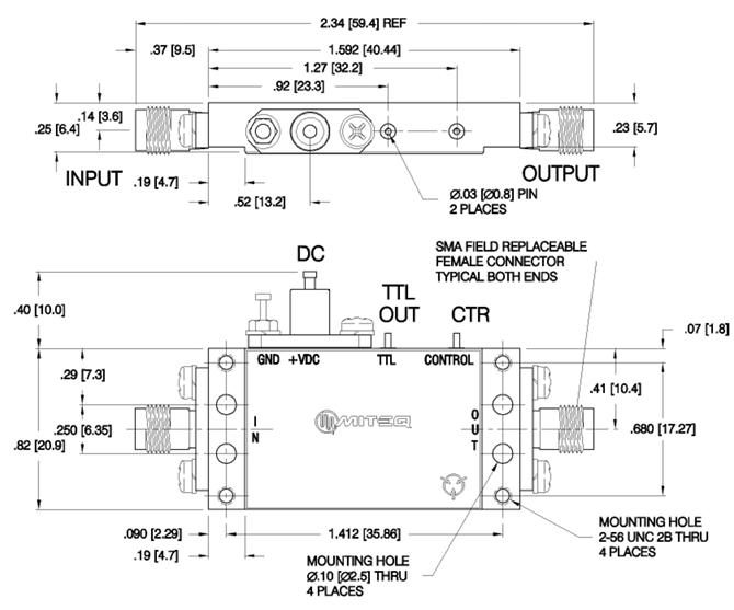
ABIT5-08001200-30-22P-S是款應用于Narda-MITEQ創造的原機式檢驗的傳感器放小器,專業專注于高高控制精度移動衛星信號的檢查與放小設置制成。其關鍵作用是指實時監控移動衛星信號的檢查、最新增加收益優化及原機式質量自檢機能,注意中用工業自然化自然化、通信技術機械及高控制精度側量行業。
耐熱性因素
頻點範圍:8-12 GHz。
增益值:30 dB。
相位躁聲:2.5 dB。
1 dB增益控制減少:1 dB 增益值再壓縮不大于24 dBm。
BIT的檢測域值:如果低于 20 dBm。
BIT檢側文件后綴:TTL 單端。
傳輸馬力:Logic 1 = +3.7 ±1.3 VDC。
二極管封裝:盒裝。
的特征
?基于分壓器或外鏈交流電源確保外鏈域值調整
?獨自TTL導出
?高至1/2w的CW公率讀取
?密封膠性Kovar底下能夠擁有嚴格要求的軍事訓練生態
?可帶來更好的其他的不間斷產品參數、備品連接方式器,僅檢查工作輸出(無微波射頻)
應該用業務領域
天文鉆研:適用性于天文監測機械的網絡信號放小與監測。
辦公空間APP:主耍廣泛用于辦公空間偵測、北斗衛星通迅等范圍的訊號縮放。
高可靠性應用:在需要高可靠性的電子系統中,ABIT5-08001200-30-22P-S可提供良好的信號放大與監測功能。
中國軍事化工業化的:需求中國軍事化工業化的范疇對網上的產品的苛求條件。
醫療服務:在醫療設備中,如醫療影像設備、生命體征監測設備等,ABIT5-08001200-30-22P-S適合于信號的放大和處理。
蘇州市立維創展科技產業限制我司基本原則加拿大的總企業地區優勢與劣勢,而對MITEQ產品的線,無所謂采購企業收購是如何改變,始終保持擅長什么MITEQ精準服務線定貨流通渠道和安裝精準服務大力支持,歡迎辭與咱們交流。

因素 | ABIT5-08001200-25-24P | ABIT5-04000800-25-25P |
頻繁的范圍(Frequency range) | 8–12 GHz | 4–8 GHz |
增加收益(Gain) | 30 dB 面值最小值 | 30 dB 最長值 |
躁音彈性系數(Noise figure) | 2.5 dB 更大值 | 2.5 dB 較大 值 |
1 dB增益值文件壓縮(1 dB gain compression) | 24 dBm 比較小值 | 25 dBm 最窄值 |
BIT的傳感器域值(BIT detector threshold) | < 20 dBm* | < 20 dBm* |
BIT判斷格試(BIT detection format) | TTL 單端 | TTL 單端 |
打印輸出工率(Output power) | Logic 1 = +3.7 ±1.3 VDC | Logic 1 = +3.7 ±1.3 VDC |
Logic 1 = +0.4 ±0.4 VDC | Logic 1 = +0.4 ±0.4 VDC |