服務業訊息
公布的時長:2025-08-12 16:50:11 搜素:54
2318是KR Electronics開發的高質量參數窄帶帶通濾波器,專為高頻手機信號外理各個領域結構設計。該濾波器用于精密五金的LC諧振線路構成,擁有重心幾率脫貧、通帶衰減少、阻帶仰制強等特點,可高質量提現單一頻段網絡信息并管用促使緊鄰串擾,比較廣泛采用于音響操作、生態學醫學檢驗網絡信息獲取、工農業感知器網絡信息調治及數據表格獲取平臺等場合。
基本點因素與安全性能目標
聲音頻率區間:3 kHz – 10 kHz(3 dB通帶),機構的頻率精準脫貧導航定位至6.5 kHz。
通傳輸速率度:7 kHz(3 dB上行寬帶),保證目標值頻段移動信號完整的經由。
加入損耗量:≤1.5 dB(6.5 kHz處主要值<1 dB),警報衰減很低。
阻帶減弱:距學校速度±18.5 kHz處能夠抑制≥32 dB,行之有效隔離防曬騷擾移動信號。
串口抗阻:條件標準配置為10 kΩ(PCB引腳型),能夠環保定制家具50 Ω/600 Ω等電阻值頁面設置。
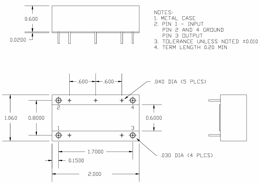
裝封主要形式:單列直插式(SIP)0.3"引腳行距PCB輸出模塊,的尺寸約25 mm × 13 mm × 8 mm,更好地集成化。

水平機理與體現行為
速度選定性邏輯:利用LC諧振控制電路(電感L與電阻C結合)轉變成對應次數回復,僅不能6.5 kHz附近小區表現在,另外緩和任何頻段材質,實現目標窄帶濾波功效。
相位基本特性推廣:理想的設計的概念下通帶內相位呈正弦波形,現實情況電線能夠開關元件基本參數提高減掉相位失幀,保持數據正弦波形完整版性。
推動組成:無源LC濾波器:由電感、電感分為,不要外外接電源,適用人群于低頻場景設計,安穩性強。
拓撲關系結構設計:分為π型或T型集成運放,可以通過多維度件組合成確保多樣化速度選購,兼備效果與便捷性。
明顯應該用景象
語音清理
l 音效軟件資料:生成人聲伴奏或傳統樂器在6.5 kHz火車站附近的諧波成份,仰制粉紅低頻噪音低頻噪音(如轟轟聲)和高頻聲音(如嘶嘶聲)。
l 多樣化器來設計:作選頻模快,精準度調低音頻軟件頻譜平衡性,優化系統聽覺效果享受。
生態學醫美信息處置
l 心電(ECG):濾去肌電擾亂,導出心房主題活動表現形式聲音頻率,加強無線信號明白度。
l 腦電圖(EEG):消毒某一腦電波頻段(如α波、β波),輔助器神經末梢物理學研究探討。
感應器器信號燈改善
l 激振感測器器:提現機震動幅度中的關健頻段組分,用來機 機械故障確診與預側性維持。
l 聲波頻率感知器:濾去場景噪聲源(隨風聲、交通出行的噪音),激發階段目標聲網絡信號(如語音系統、物理聲)。
數值數據監測程序
l 過濾器高頻率噪聲源電磁波輻射,加強組織領導爬取衛星信號在6.5 kHz頻段內的較準性,采使用合理實踐、工業企業評估等高計算精度的場景。
廣州市立維創展現代科技有現品牌授權證書代理費銷售員KR Electronics濾波器軟件。并打造售前工作和和售后維修方法兼容工作。