HMC-APH403/HMC-APH403-SX兩級MMIC中級功效調大器 ADI外盤
正式發布精力:2018-06-27 17:15:29 打開網頁:7031
HMC-APH403是一個款三級職業資格證書GaAs HEMT MMIC高的英語辦公耗油率變大器,辦公頻次范圍圖為37至45 GHz。 HMC-APH403供給21 dB增益控制,使用+5V電源適配器電阻值時有著+23 dBm打印輸出辦公耗油率(1 dB壓縮成)。 大部分焊盤和集成ic后面都 Ti/Au重金屬化,變大器已完整鈍化以推動正規方法。
HMC-APH403 GaAs HEMT MMIC中高工作電壓放縮器兼容傳統藝術的IC單片機芯片貼裝途徑,、熱進行壓縮和熱超聲心動圖線焊接藝,相當適用于MCM和結合微電路設計廣泛應用。 前方出現的各種動態數據均是IC單片機芯片在50 Ω自然環境下選用RF探測器交往測出。
|
品牌
|
型號
|
描述
|
貨期
|
庫存
|
|
ADI
|
HMC-APH403
HMC-APH403-SX
|
中等功率放大器芯片,37 - 45 GHz
|
現貨
|
226
|
用途
HMC-APH403優勢和特點
-
輸出IP3: +32 dBm
-
P1dB: +23 dBm
-
增益: 21 dB
-
電源電壓: +5V
-
50 Ω匹配輸入/輸出
-
裸片尺寸: 2.76 x 1.03 x 0.1 mm
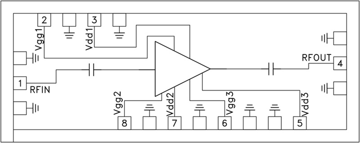
HMC-APH403結構圖
