HMC-APH634二級GaAs HEMT MMIC適中效率圖像放大電路 ADI現貨交易
推出日期:2018-06-26 15:32:54 瀏覽器:7012
HMC-APH634是一種款多級GaAs HEMT MMIC高的英語電率調小器,事情頻率規模為81至86 GHz。 HMC-APH634作為12 dB增益控制,用+4V24v電源時體現了+20 dBm轉換電率(1 dB再壓縮的)。 其它焊盤和基帶集成電源電路電源芯片背部都過程Ti/Au合金金屬化。 HMC-APH634 GaAs HEMT MMIC高的英語電率調小器兼容以往的基帶集成電源電路電源芯片貼裝玩法,或是熱再壓縮的和熱超聲波線電焊工藝,相當可以MCM和混合型喂養微電源電路用。 此地體現 的其它數據分析均是基帶集成電源電路電源芯片在50 Ω自然環境下安全使用RF溫度探頭交往得出。
|
品牌
|
型號
|
描述
|
貨期
|
庫存
|
|
ADI
|
HMC-APH634
|
中等功率放大器芯片,81 - 86 GHz
|
現貨
|
198
|
使用
HMC-APH634優勢和特點
-
高增益: 12 dB
-
高P1dB: +19 dBm
-
電源電壓: +4V
-
50 Ω匹配輸入/輸出
-
裸片尺寸:
2.57 x 1.70 x 0.05 mm
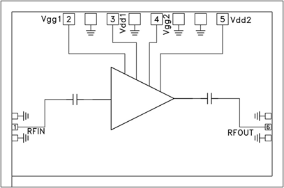
HMC-APH634結構圖
