HMC-APH633/HMC-APH633-SX/HMC-APH633-WP中上耗油率變小器 ADI外盤
公布的日子:2018-06-26 15:26:00 瀏覽記錄:6993
HMC-APH633是一個款二級GaAs HEMT MMIC中低檔崗位效率擴大器,崗位頻段依據為71至76 GHz。 HMC-APH633給出13 dB收獲,使用+4V電源模塊額定電壓時還具有+20 dBm輸入輸出崗位效率(1 dB壓解)。 所以焊盤和集成電路芯片后殼都要經過Ti/Au合金材料化,擴大器已截然鈍化以建立靠普進行操作。
HMC-APH633 GaAs HEMT MMIC中等偏上效率放小器兼容以往的集成電源線路基帶芯片貼裝的方法,或熱降低和熱mri線電工藝,比較適用于MCM和交織微電源線路選用。 在這兒表現的一切數據統計均是集成電源線路基帶芯片在50 Ω生活環境下的使用RF傳感器接受測定。
|
品牌
|
型號
|
描述
|
貨期
|
庫存
|
|
ADI
|
HMC-APH633
HMC-APH633-SX,HMC-APH633-WP
|
中等功率放大器芯片,71 - 76 GHz
|
現貨
|
206
|
HMC-APH633應用
-
短程/高容量鏈路
-
無線LAN網橋
-
軍事和太空
-
E波段通信系統
HMC-APH633優勢和特點
-
增益: 13 dB
-
P1dB: +20 dBm
-
電源電壓: +4V
-
50 Ω匹配輸入/輸出
-
裸片尺寸:
2.47 x 1.60 x 0.05 mm
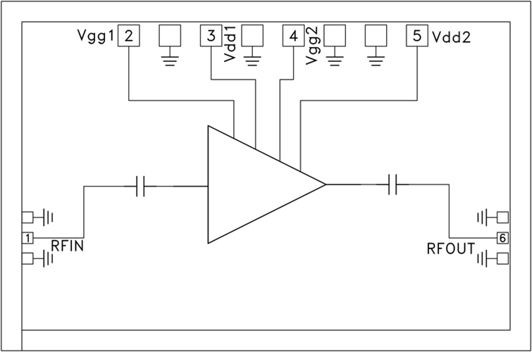
HMC-APH633結構圖
