MECA IS-15.200射頻隔離器12.4-18.0GHz
2024-10-09 08:54:17
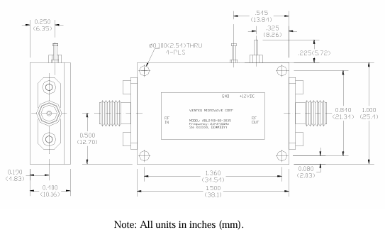
MECA IS-15.200微波微波rf頻射隔離霜防曬開器是一個款專為微波微波rf頻射電磁波互傳制定的雙服務器端口無源元器,進行電磁鐵和鐵氧體材質造成,關鍵用以解決電磁波漫反射和不干擾,護理其他微波微波rf頻射元器件。其特性還包括SMA母頭鏈接器、12.4-18.0 GHz的聲音率的區間、極大讀取衰減0.4 dB、隔離霜防曬開度18 dB、的平均熱效率2W、峰峰值熱效率50W、VSWR極大值1.30:1,復合RoHS規范標準和IP67預防登級,進行不銹熱軋鋼板質并所經鈍化清理,工做水溫的區間為-10°C至+60°C,支持以不一聲音率的區間內的微波微波rf頻射應用領域消費場景,給予非常好的隔離霜防曬開效率。