制造行業咨詢
發布的時期:2024-10-09 09:08:34 搜索:5522

Electro-Photonics的EPD-2A1-SF是一款高性能的2路0°功率分配器,具有以下特點:
1. 緊促設汁:大型封裝,適當個人空間異常的軟件。 2. 平率比率:擴大100至500MHz,適當網絡帶寬廣泛應用。 3. 安全性能優異: 同相電機功率裂變,抓好數字信號一樣性。 低導入損耗率(最多0.6 dB),確認4g信號產品品質。 高屏蔽度(只要20 dB),減輕的通道間干撓。 積極的震幅平橫(±0.2 dB)和相位平橫(±3°)。 4. 高瓦數除理效率: 順向耗油率:50W。 單向輸出:10W。 5. 接口結構類型結構類型:SMA(F),通用性且比較穩定。 6. 的溫度條件: 運轉溫升:-35°C至+75°C。 非工作任務溫差:-55°C至+100°C。 7. 銅網外表:灰色車漆漆面,享有技術專業銅網外表。應用領域:
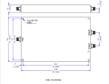
智能戰 聲納程序 檢驗和自動測量裝置 EPD-2A1-SF故有匠心的功能和寬敞的厚度,異常合適應該高功能數據左右的寬帶網絡技術應用。尺寸:

ELECTRO-PHOTONICS擁有著25年的原因頻射零件定制與加工生產經驗,貨品包函交織和定項合體器、功分器、濾波器、測試板、隔絕器、方形器等貨品。
東莞 市立維創展科技創新有局限機構代理加盟電商分銷Electro-Photonics物料。要是必須要Electro-Photonics微波加熱,喜愛點開左邊微信客服鏈接自己!!!