服務業方式
發布的時間間隔:2024-09-27 08:42:11 觀看:5398

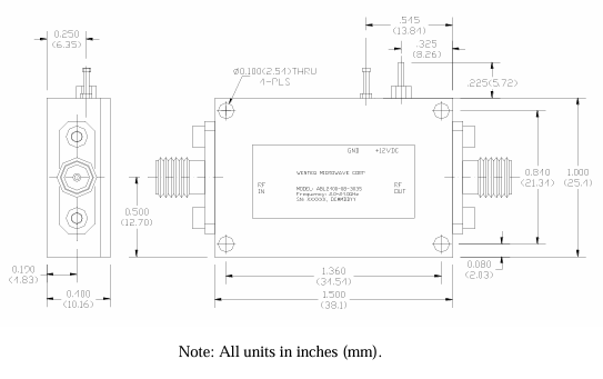
ABL2400-01-3025是由溫特(WENTEQ)公司生產的寬帶低噪聲放大器,具有以下特點和電氣規格:
特點
帶寬、低噪音污染:應主要用于從0.1 GHz到24.0 GHz的寬頻次比率,可以提供低噪音污染性。 低VSWR,無狀態維持:在繁多負載電阻狀態下始終維持維持。 小面積、低制造費:方案省油的suv,資金最劃算。 K型相連器RF I/O:鍵盤輸入的輸出采取K型頻射相連器。 單供電模塊變電:施用同一個直流電供電模塊既能任務。 任務室內室溫時間范圍圖:-40至+85°C,儲備室內室溫時間范圍圖:-55至+125°C。電氣規格
平率範圍:0.1 GHz至24.0 GHz 標稱增益值:25.0 dB至34.0 dB(典型性值30.0 dB)噪聲系數:
- 0.1-4.0 GHz:3.5 dB至5.5 dB - 4.0-20.0 GHz:2.5 dB至4.0 dB - 20.0-24.0 GHz:3.0 dB至4.5 dBP-1dB壓縮點:
- 0.1-19.0 GHz:20.0 dBm至23.0 dBm - 19.0-24.0 GHz:18.0 dBm至21.0 dBm 飽滿打出馬力 Psat:20.0 dBm至24.0 dBm 輸出精度IP3:23.0 dBm至30.0 dBm 增益值平淡度:±1.5 dB至±2.0 dB 平均溫度領域內增加收益變遷:±2.0 dB 正向防護隔離度:50.0 dB 導入VSWR:1.7:1至2.5:1 輸出的VSWR:1.7:1至2.5:1 鄰道泄密比:-60.0 dBc 事業環境溫度:-40.0 ℃至+85.0 ℃ 活多久濕度:-45.0 ℃至+125.0 ℃ 直流變壓器開關電源共電電壓降:+12.0 V至+15.0 V 直流24v電源24v電源能量消耗感應電流:300.0 mA至350.0 mA(先進典型值250.0 mA) 規格:1.50x1.0x0.405英寸 ABL2400-01-3025變小器因為本身寬頻帶寬度比率、低低頻噪音能及非常好的相對熱穩定性處理,適在于多類頻射與徽波操作系統中的app,如溝通、雷達探測和網絡應對等這個領域。山東市立維創展自動化是WENTEQ的供應商商,一般展示 WENTEQ物品收錄環狀器、屏蔽器、過載網絡終端等,物品原放國外進口國外進口,質量管理要確保,單價優勢可言,認可網絡咨詢。