CBMV3102013寬帶調制器NRZ驅動放大器(CBM)CERNEX
2024-08-19 09:05:48
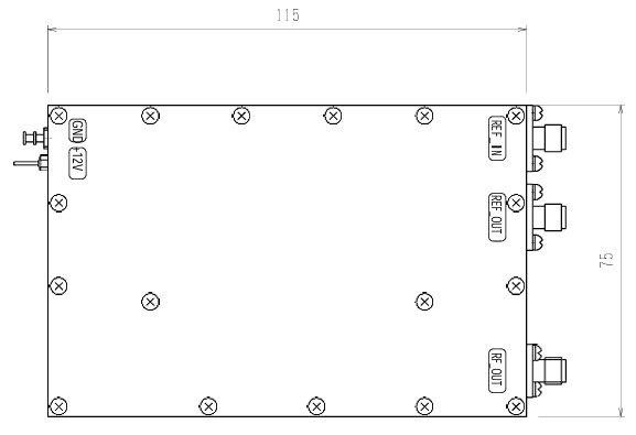
CERNEX CBMV3102013光纖聯通寬帶調配器NRZ驅動軟件放縮器,選擇復合膜GaAs FETs枝術,可以更是高達到20 Gb/s數劇數率,崗位室溫-40°C至70°C。導出相電壓最高的8 Vpp,不支持于10/12/18 GHz 50 ohms基本操作,低晃動,大信息高速傳輸速率。次數超范圍30 KHz至65 GHz,嬌小設計的,可變氣門正時增加收益控制,導出瓦數+8Vpp,低增加收益紋波。可以更是高達到40 Gb/s加速度,不支持于OC48/OC192/OC384/OC768設計,大范圍軟件作光纖聯通寬帶和SONET/SDH高速傳輸設計。