該行業信息資訊
更新時:2024-08-15 09:08:06 搜索:782
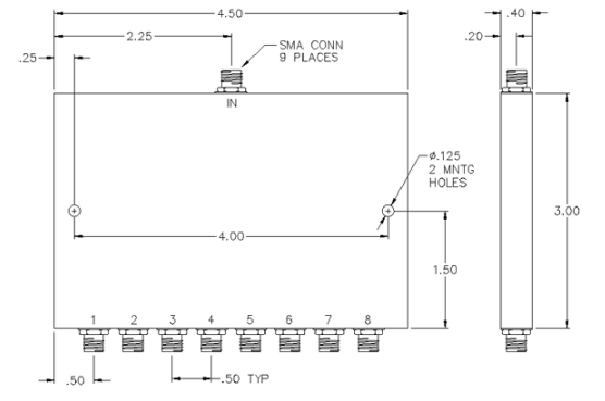
PULSAR功率分配器PS8-02-454/1S是一款高性能的8路SMA功分器,專為0.85至1.7GHz的頻率范圍設計。該設備能夠將輸入信號均勻分配到8個輸出端口,適用于多種無線通信和雷達系統。

主要特點:
率區域:0.85-1.7 GHz 加入損耗量率:最多0.8dB,加強組織領導電磁波傳輸數據速度高,損耗量率低。 隔離霜:世界上最大20dB,能夠減小各輸出的端口處區間內的表現串擾。 震幅均衡性:最明顯0.4dB,保證質量各模擬輸出網絡端口的訊號撓度共同。 相位動態平衡:極大5°,確認的信號相位的不一樣性。 駐波比:更大1.30:1,優化提升表現射線,增長系統的增強性。 進入效率:更大30W,使用作高效率操作。 連到器型:SMA產品,豐富兼容所有系統。 電機負載VSWR:額定公率插入公率下相對比較1.20:1,進幾步上升數字信號質。 寸尺:4.50" x 3.00" x 0.40"
廣州市立維創展科技公司授權書代理商經銷商PULSAR微波通信物品,并保證售后維修點搭載產品,歡迎辭咨詢了解。