AM07512041WN-SN-R/AM07512041WN-00-R功率放大器芯片 代理現貨
2019-02-20 14:36:54
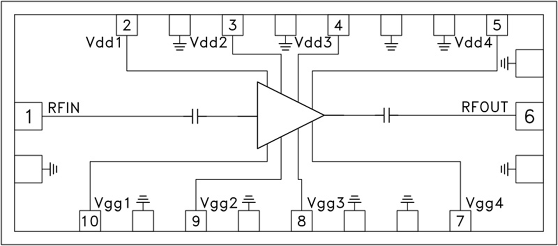
AMCOM機構的AM07512041WN-SN-R/AM07512041WN-00-R電子器件是款光纖寬帶氮化鎵MMIC電額定額定功率拖動器。它在8.25至11.75GHz頻段體現了28dB的增加收益控制和42dBm的內容輸出電額定額定功率。AM7512041WN-SN-R進行瓷質二極管封裝,有點法蘭片和直微波射頻和整流引線,用以復制式裝設。它的增加收益控制為27db,內容輸出電額定額定功率為41dbm,在8.25至11.75GHz頻段。