的行業分析新聞
上線時間段:2019-02-20 16:00:57 瀏覽網頁:1719
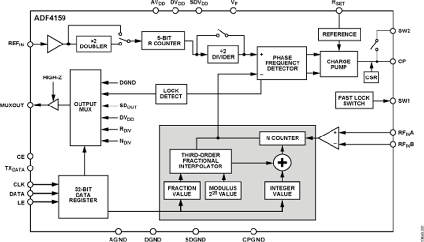
ADF4159WCCPZ由低噪聲數字鑒頻鑒相器(PFD)、精密電荷泵和可編程參考分頻器組成。 該器件內置一個Σ-Δ型小數插值器,能夠實現可編程小數N分頻。 INT和FRAC寄存器可構成一個總N分頻器(N = INT + (FRAC/225))。
ADF4159WCCPZ需要選擇于保證頻移鍵控(FSK)和相移鍵控(PSK)熬制。 也有其他需要選擇的頻帶寬度掃一掃經營模式,可在頻域內導致各式波型,比如鋸齒形波和角形波。 掃一掃需要制定為智能開始,也需要制定為利用表面脈沖發生器自動勾起任何布驟。 ADF4159WCCPZ體現了周跳削減電路板,可進步減小鎖住時刻,而不用再修改游戲環路濾波器。 幾乎所有片內寄存器均按照簡潔明了的二線式端口實施調整。 ADF4159使用2.7 V至3.45 V模仿開關電源模塊和1.62 V至1.98 V數字6開關電源模塊用電,不時不錯關斷。
| 品牌 | 型號 | 貨期 | 庫存 |
| ADI | ADF4159WCCPZ | 1周 | 100 |
軟件
優勢和特點
示意圖
