HMC847LC5極速4:1多路復用技術器 ADI外盤
上傳時期:2019-02-20 16:15:19 瀏覽訪問:1768
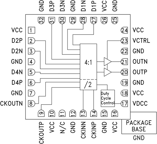
HMC847LC5就是款4:1多路多路復用技術器,制作用作45 Gbps的數劇分析串行施用。 多路多路復用技術器在顯示數字石英鐘的轉成點鎖存4個差分顯示。 該元器件封裝施用半濃度數字石英鐘的逐漸沿和下跌沿來串行無線傳輸的數劇分析。 片內轉換1/4濃度數字石英鐘打印輸出電壓,與HMC847LC5的的數劇分析打印輸出電壓發送到。
HMC847LC5的其它鐘表和數值庫的輸入/的輸入均所采取CML并經由片內50 Ω端接至VCC,可所采取整流或學習交流合體。 HMC847LC5的的輸入和的輸入可所采取差分或單端安裝運行。 HMC847LC5還ibms其中一個的輸入電平控住引腳VCTRL,要用于耗費賠賞或數值電平提升。 VDCC引腳控住數值庫的輸入交疊點與占空比。 HMC847LC5所采取+3.3V單電壓共電,出具符合要求ROHS準則的5x5 mm SMT裝封。
|
品牌
|
型號
|
貨期
|
庫存
|
|
ADI
|
HMC847LC5
|
1周
|
120
|
如果您須要選擇HMC847LC5,請鼠標點擊右則客服專員找話題.我!!!
HMC847LC5用途
-
SONET OC-768
-
RF ATE應用
-
寬帶測試和測量
-
串行數據傳輸高達36 Gbps
-
高速DAC接口
HMC847LC5優勢和特點
-
支持高達36 Gbps的數據速率
-
半速率時鐘輸入
-
?速率參考時鐘輸出
-
快速上升和下降時間: 11/12 ps
-
可編程差分輸出電壓擺幅: 250 - 900 mVp-p
-
單電源: +3.3V
-
32引腳5x5mm SMT封裝: 25mm2
HMC847LC5示意圖
