AD7980BRMZ變位系數轉化成器ADC 代里外盤
推送用時:2019-02-18 14:46:26 觀看:2021
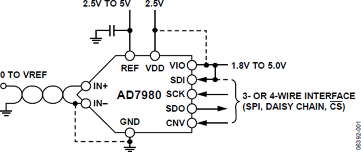
AD7980BRMZ有的是款16位、逐次靠近型系數轉化成器(ADC),選取單電原(VDD)供電系統。它內置式一名低耗電、快速、16位抽樣ADC和一名多系統串行接口類型端口處。在CNV升沿,該配件對IN+與IN-當中的虛擬鍵入線電壓電流電流差參與抽樣,比率從0 V至REF。系數線電壓電流電流(REF)由外觀給出,以及能人格獨立于電原線電壓電流電流(VDD)。耗電和吞吐數率呈曲線發生變化影響。
SPI兼容串行接頭還才可以用SDI填寫,將多個ADC以大菊花鏈形態鏈接到一個二線式傳輸線上,并給出要選的忙碌標識。運用自主供電VIO時,它與1.8V、2.5V、3V和5V邏輯學兼容。
AD7980BRMZ進行10引腳MSOP封口或10引腳QFN (LFCSP)封口,做工作的溫度時間范圍為?40°C至+125°C。
|
品牌
|
型號
|
貨期
|
庫存
|
|
ADI
|
AD7980BRMZ
|
1周
|
20
|
倘若您必須要購AD7980BRMZ,請鼠標點擊左面在線客服聯絡當我們!!!
AD7980BRMZ選用
AD7980BRMZ優勢和特點
-
16位分辨率、無失碼
-
呑吐速率:1 MSPS
-
低功耗
4 mW(1 MSPS,僅VDD)
7 mW(1 MSPS,總功耗)
70 μW (10 kSPS)
-
INL:典型值±0.6 LSB,最大值±1.25 LSB
-
信納比(SINAD):91.25 dB(10 kHz時)
-
THD:-110 dB(10 kHz時)
-
欲了解更多特性,請參考數據手冊
AD7980-EP扶持防務和航班航空工業app(AQEC標準單位)
-
下載AD7980-EP數據手冊(pdf)
-
受控制造基線
-
唯一封裝/測試廠
-
唯一制造廠
-
增強型產品變更通知
-
認證數據可應要求提供
-
軍用溫度范圍(?55℃至+125℃)
-
V62/12640 DSCC圖紙號
AD7980BRMZ示意圖
