HMC-AUH256小行星電力4個等級推動調大器 ADI外盤
發布信息耗時:2019-02-20 15:38:45 瀏覽記錄:1815
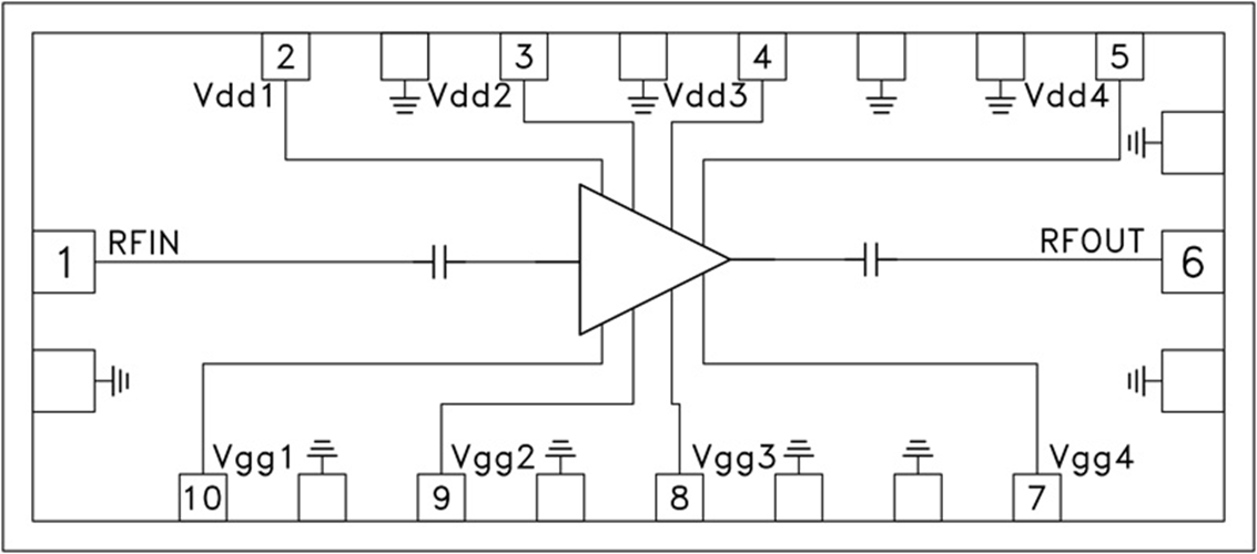
HMC-AUH256一款GaAs MMIC HEMT3級驅動安裝縮放器,作業頻繁 環境17.5至41 GHz。 由寬度較小(1.93 mm2),該存儲集成塊可放松結合到多存儲集成塊功能模塊(MCM)中。 HMC-AUH256在1 dB擠壓點提供數據21 dB的增益控制和+20 dBm的輸出的功效,使用的+5V的偏置外接電源(295 mA)。 HMC-AUH256還該用作倍頻器。 確保倍頻器作業的全面偏置環境。
|
品牌
|
型號
|
貨期
|
庫存
|
|
ADI
|
HMC-AUH256
|
1周
|
100
|
倘若您還要訂購HMC-AUH256,請點擊進入右面售后客服連接各位!!!
選用
優勢和特點
-
增益: 21 dB
-
P1dB輸出功率: +20 dBm
-
寬帶性能:
17.5至41 GHz
-
電源電壓:
+5V (295 mA)
-
小尺寸芯片:
2.1 x 0.92 x 0.1 mm
示意圖
