RFLI090M21M29超寬帶同軸隔離器RF-LAMBDA
2024-06-21 08:46:13
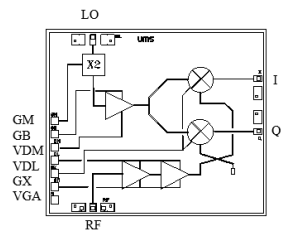
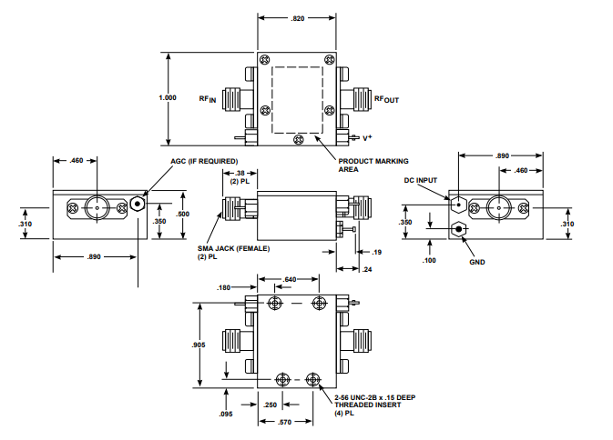
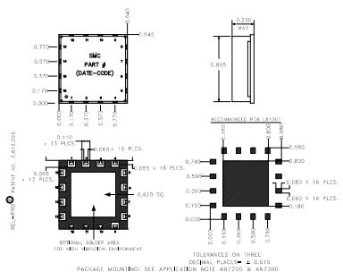
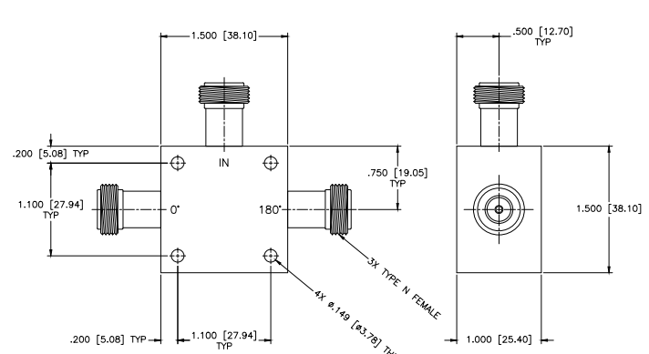
RFLI090M21M29是RF-LAMBDA的的一款超大帶同軸隔絕器,的業務頻帶寬度為214MHz至286MHz,體現了0.6dB最大的插進不足、19dB較小隔絕度、1.3:1 VSWR和50W累計波正面工率。它認可N型或SMA型聯系器,阻抗匹配為50Ω,的業務溫度表范圍圖為-40°C至+85°C。該隔絕器適用人群于無線網根本生活設施、軍事體育、飛機航天工程、測驗器材、雷達探測程序、5G微波通信等領域行業,體現了積極的抗振和沖刺性能指標,可在獨角獸高達30,000英寸的地形特別下的業務。