制造業知識
發布信息耗時:2024-06-28 08:59:54 瀏覽訪問:6082

PULSAR倍頻器FX-04-410是一款高性能的電子設備,專為需要精確頻率轉換的應用而設計。以下是該產品的詳細介紹:
護膚商品名稱大全稱: Pulsar倍頻器FX-04-410頻率范圍:
插入平率: 75-1500 MHz 傳輸工作頻率: 150-3000 MHz 填寫工作效率標稱值: +10.0 dBm轉換損耗:
在F2聲音頻率下: 12.0 dB極大 在F4的頻率下: 20.0 dB主要表現雜散信號抑制:
F1: 20 dBc F3: 20 dBc 封裝款式: SMA連接器類型:
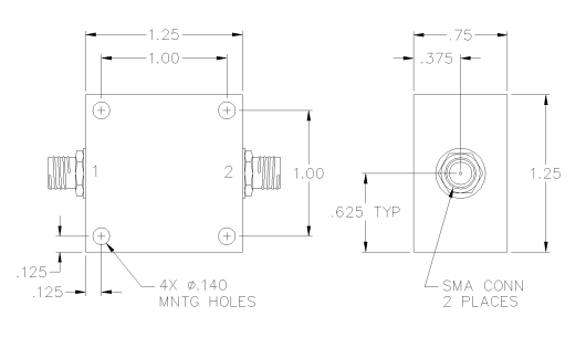
標調試: SMA female 可以選擇選配: BNC, TNC, F, 和 N connectors 放入/輸入輸出接口: 導入網絡端口: 1 打印輸出端口號: 2 接地系統系統辦法: 殼體接地系統系統 樣貌長寬比: 1.25" x 1.25" x 0.75"
雜散信號抑制性能表明,該設備能夠有效抑制不需要的頻率成分,確保輸出信號的純凈度。SMA連接器是標準配置,但也提供其他類型的連接器選項,以適應不同的應用需求。成都市立維創展科技公司品牌授權代理權消售PULSAR徽波好產品,并提供了售后保障支持軟件保障,青睞諮詢。