0300BB/0301BB/0010BB/0017CC/0700BB/0303LB巴倫變壓器 North Hills
2018-11-06 09:25:41
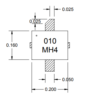
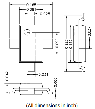
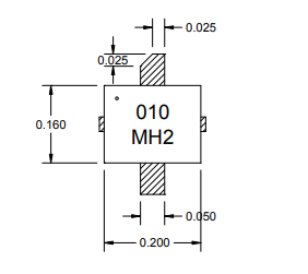
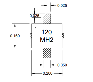
North Hills的0300BB/0301BB/0010BB/0017CC/0700BB/0303LB巴倫配電變壓器,常見貸款用途1千赫茲- 125兆赫,由不取舍電機繞線和中心的抽頭取舍電機繞線分解成的取舍環,雙相遞送電機功率,的兩個方問連接。北山巴倫斯精密模具工程建設低進到這一領域和回波消耗。適宜的取舍是經由確定性相對性的格局來構建的。