HMC7149/HMC7149-SX氮化鎵(GaN) MMIC最大功率放小器 ADI現貨黃金進口代理
正式發布時刻:2018-06-22 16:02:59 訪問:2370
HMC7149也是款10W氮化鎵(GaN) MMIC熱效率變成器,上班率范圍之內為6至18 GHz。 基本上情況報告下,該變成器具備20 dB的小數據文件收獲、+40 dBm的飽和傷害熱效率相應+39.5 dBm的傷害IP3(每數據文件音+28 dBm傷害熱效率時)。 用到+28V整流電源線時,HMC7149的額定功率為680 mA。 RF I/O搭配至50 Ω,應該有利結合到多集成電路集成塊功能(MCM)中。 全部電力工程特點數據文件均經由電力工程聯接至層厚為1.02 mm (40 mil)的CuMo各種載體的集成電路集成塊收集,而倆個長度為1.0 mil的焊線聯接集成電路集成塊至50 ?硫化鋁發送火車線路。
|
品牌
|
型號
|
描述
|
貨期
|
庫存
|
|
ADI
|
HMC7149
HMC7149-SX
|
10 W GaN MMIC功率放大器,6 - 18 GHz
|
現貨
|
100
|
HMC7149軟件應用
HMC7149優勢和特點
-
高Psat: +40 dBm
-
Psat時的功率增益: +10 dB
-
高輸出IP3: +39.5 dBm
-
小信號增益: 20 dB
-
電源電壓: +28V (0.680 A)
-
50 Ω匹配輸入/輸出
-
芯片尺寸: 3.4 x 4.5 x 0.1 mm2
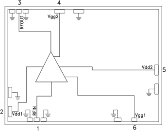
HMC7149結構圖
