HMC7357LP5GE/HMC7357LP5GETR中等偏上效率增加器幀率5.5至8.5 GHz ADI現貨平臺
披露的時間:2018-06-22 16:06:19 搜素:2624
HMC7357就是款四級GaAs pHEMT MMIC中高功效調大器,本職工作頻點標準為5.5至8.5 GHz。 該調大器的增益值為29 dB,飽和點狀態導出功效為+35 dBm,PAE為34%,開關電源轉換輸出為+8V。 HMC7357展示 +41.5 dBm的出彩導出IP3的性能,尤其適于線型用,例如高余量雙向和點對精確無線數字電或VSAT/SATCOM用——這些用規定體現了+35 dBm的高飽和點狀態導出功效。 RF I/O外部符合至50 Ω,便用以便于。 HMC7357通過無鉛5x5 mm塑表貼封裝,與表貼制作技術工藝兼容。
|
品牌
|
型號
|
描述
|
貨期
|
庫存
|
|
ADI
|
HMC7357
|
GaAs pHEMT MMIC 2 W功率放大器,5.5 - 8.5 GHz
|
現貨
|
120
|
HMC7357LP5GE技術應用
-
點對點無線電
-
點對多點無線電
-
VSAT和SATCOM
HMC7357LP5GE優勢和特點
-
Pout:+35 dBm (34% PAE)
-
高P1dB輸出:+34 dBm
-
高輸出IP3: +41.5 dBm
-
高增益: 29 dB
-
50 Ω匹配輸入/輸出
-
電源電壓: Vdd = 8V (1200 mA)
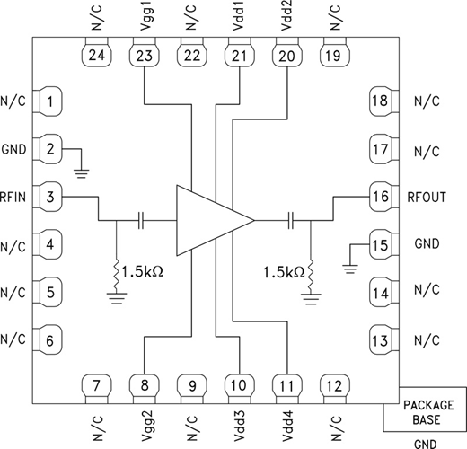
HMC7357LP5GE結構圖
