HMC7441/HMC7441-SX四級GaAs pHEMT最大功率變大器 ADI期貨選擇商
上線時光:2018-06-21 15:39:47 看:2801
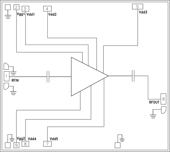
HMC7441也是款兩級GaAs pHEMT熱效率變小器,業務次數超范圍為27.5至31 GHz。 該變小器的收獲為23 dB,飽合傳輸電壓電流熱效率為+34 dBm,PAE為25%,電電壓電流為6V。 HMC7441出具+38 dBm的出彩傳輸電壓電流IP3使用性能,無比適當直線軟件,像是Ka頻段VSAT、高馬力點到點或點對多一些手機無線電——這些軟件規范要求極具+34 dBm的科學規范飽合傳輸電壓電流熱效率。 RF I/O隔直并切換至50 Ω,可能方便簡潔方案化到多集成電路電子器件方案(MCM)中。 各個數據資料均用于50 Ω檢測車床夾具設計中的集成電路電子器件測量,該車床夾具設計可以通過眼前這條內徑為0.025mm (1 mil)、長寬為0.31 mm (12 mil)的焊線無線連接。
|
品牌
|
型號
|
描述
|
貨期
|
庫存
|
|
ADI
|
HMC7441
HMC7441-SX
|
GaAs pHEMT MMIC 2 W功率放大器,27.5 - 31 GHz
|
現貨
|
36
|
APP
-
點對點無線電
-
點對多點無線電
-
VSAT和SATCOM
-
軍事和太空
強勢和基本特征
-
飽和輸出功率:
++34 dBm (25% PAE)
-
高輸出IP3: +38 dBm
-
高增益: 23 dB
-
直流電源: +6V (1,000 mA)
-
無需外部匹配
-
芯片尺寸: 3.18 x 2.84 x 0.1 mm
組成圖
