企業新聞資訊
披露時段:2025-07-04 16:31:08 預(yu)覽(lan):116
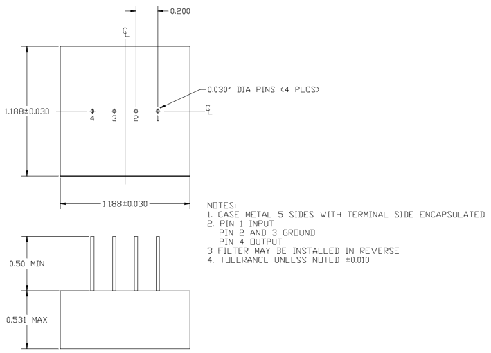
2317帶(dai)(dai)(dai)通濾(lv)(lv)波器(qi)是KR Electronics種植的有款高機械性(xing)能(neng)帶(dai)(dai)(dai)通濾(lv)(lv)波器(qi),其(qi)寬(kuan)阻(zu)帶(dai)(dai)(dai)性(xing)質極(ji)其(qi)好兼具較(jiao)為(wei)復雜打(da)擾壞境(jing)的應(ying)用(yong)場景(jing),2317帶(dai)(dai)(dai)通濾(lv)(lv)波器(qi)進行結(jie)構(gou)類型進行調(diao)節(jie)與高品格板材運用(yong),完成非常(chang)低(di)添加損(sun)耗費(保(bao)障(zhang)4g信(xin)(xin)號通帶(dai)(dai)(dai)內高效性(xing)率發(fa)送)、高阻(zu)帶(dai)(dai)(dai)衰減(高度掌握60dB大于(yu)抑制(zhi)(zhi)表(biao)現(xian))及安穩群推遲了特點(切(qie)實保(bao)障(zhang)多(duo)頻表(biao)現(xian)一(yi)起(qi)文件(jian)傳輸(shu)的時刻相獨立性(xing))幾大技術工藝達(da)到,為(wei)5G網絡通訊、高精(jing)度制(zhi)(zhi)造感測器(qi)等高規律率3d場景(jing)供(gong)應(ying)高功(gong)能(neng)數(shu)據信(xin)(xin)號操(cao)作緩解計劃。
中心參數值
學(xue)校(xiao)頻(pin)率:6.5 kHz
通帶帶寬使用(yong):7 kHz(±3.5 kHz)
通帶衰減:≤2 dB(類型值)
阻帶衰減:
1.1 kHz處(chu)≥32 dB
1.5kHz處≥22 dB
3.0kHz處≥2 dB
22.9kHz處(chu)≥32 dB
封裝結(jie)構類型:PCB布(bu)置(面上貼(tie)裝或插件(jian)”待選擇)
基本(ben)特征阻抗匹配:1.2 kΩ(一般值)

利用范疇
聯系控制系統
l 無線wifi通(tong)訊技術(shu)網絡(luo):選擇特(te)定(ding)頻段(duan)數據,管理鄰頻騷擾,增(zeng)加通(tong)訊技術(shu)產(chan)品。
l 幅度(du)調制解(jie)調器(qi)/無線網絡電吸(xi)收器(qi):關鍵(jian)性角色名字,為了確保(bao)的信號準確無誤吸(xi)收。
音屏凈化處理
l 嘈音(yin)排除:處理超低頻高(gao)壓發生器(qi)噪聲(sheng)(sheng)(如翁翁響(xiang)聲(sheng)(sheng))和高(gao)頻電流聲(sheng)(sheng),提高(gao)了音(yin)質。
l 聲(sheng)音(yin)特(te)效明顯增強:添(tian)加人聲(sheng)伴奏或管(guan)弦樂器頻段,新創建異常聲(sheng)音(yin)特(te)效(如“座機號音(yin)”)。
生物學臨床工業
l 內分(fen)泌系(xi)統手(shou)機信號凈化(hua)處理:讀取心電圖檢查(ECG)、腦電圖(EEG)等生(sheng)態學(xue)數據(ju)信號中的特殊(shu)的頻次化(hua)學(xue)成分(fen),輔佐(zuo)診斷(duan)儀。
感應器器采用
l 運動/會(hui)加快度感應器(qi)器(qi):讀取感關注工作頻率組成成分,不斷提高檢查的精密度和軟件不靠譜性(xing)。
東莞 市立維創展科技發展不多單位授權文件一級代理出售KR Electronics濾波器品牌。并帶來(lai)了售前精(jing)(jing)準服務(wu)和和安裝(zhuang)新技術認可精(jing)(jing)準服務(wu)。