互聯網行業信息資訊
頒(ban)布時(shi)段(duan):2025-03-12 15:37:34 挑選(xuan):461
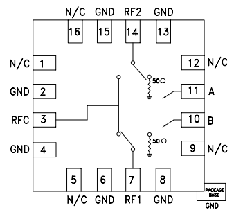
HMC547ALP3E有的(de)是款由Analog Devices (ADI) 具備的移動寬帶高分隔度非反射(she)面(mian)式 GaAs pHEMT SPDT(單刀雙擲(zhi))rf射(she)頻(pin)電開關(guan),可用到(dao)從 DC 到(dao) 20 GHz 的寬頻段應運(yun)。HMC547ALP3E含有高效能(neng)、高系(xi)統可靠(kao)性性、高分隔(ge)度和低加上(shang)消耗的資(zi)金的優(you)缺(que)點,符合于統計、衛星(xing)信號(hao)光(guang)纖(xian)通信、測(ce)試機械設備等中頻技術應(ying)用場(chang)地。

注(zhu)意屬性
聲音頻率依據:DC 至 20 GHz,應使(shi)用在(zai)光(guang)纖寬(kuan)帶操作。
高隔離霜度:
在 5 GHz 以下的,丟開度 >50 dB。
在(zai) 15 GHz 以下(xia)的(de),隔離開度(du) >45 dB。
低進到這(zhe)一領域損耗率:常見數(shu)值為(wei) 2 dB,確保4g信(xin)號文件傳輸的高效性(xing)性(xing)。
操(cao)控規律:選(xuan)擇專一性(xing)負管理輸出功率思(si)維模式(-5V/0V),就不需要偏(pian)置24v電源。
封裝類型:緊奏型的 16 引腳 LFCSP EP(帶外露焊盤的引線架構(gou)集成電路芯片級裝封),最合適從表(biao)面貼裝。
環保節能(neng)正(zheng)規:復(fu)合 RoHS 標淮,無鉛構思(si)。
軟件業務領域
基(ji)站設備基(ji)礎框架生活設施:適用通信基站中的(de)rf射頻走勢調成(cheng)和(he)路由,切實保障走勢的(de)穩定性高無(wu)線傳輸和(he)有效率加(jia)工處理。
光(guang)纖(xian)光(guang)纖(xian)寬帶與光(guang)纖(xian)寬帶通信系統:在(zai)光(guang)纖聯(lian)通寬(kuan)帶wifi網絡無線通信體系(xi)和(he)聯(lian)通寬(kuan)帶鐵通wifi網絡中(zhong),保證(zheng) 4g信號的修(xiu)改(gai)和(he)分配比例,保險wifi網絡無線通信的可靠的性(xing)和(he)具備靈化(hua)學活化(hua)高性(xing)。
徽波無(wu)線路由電(dian)與(yu) VSAT:可(ke)主要用于于紅(hong)外(wai)光(guang)無(wu)限電發送和甚(shen)小眼徑刷卡設備(VSAT)機系(xi)統(tong),完成不一樣無(wu)線信(xin)道(dao)區(qu)間內的(de)數據信(xin)息添加。
軍隊的領(ling)域:在(zai)軍工移動(dong)電、雷達探測和電子器材反擊(ECM)等(deng)專用設備中,適用于(yu)高速(su) 變(bian)換各種的事(shi)情模試或的信號方向。
測(ce)驗(yan)測(ce)試儀器設(she)備:能作(zuo)于測評定(ding)(ding)量測試(shi)儀器中的數字網絡(luo)移動信(xin)號路由和(he)設置(zhi),如電腦(nao)網絡(luo)定(ding)(ding)量測試(shi)儀、數字網絡(luo)移動信(xin)號突發器等,不便對多種數字網絡(luo)移動信(xin)號做出(chu)檢測的和(he)定(ding)(ding)量闡述。
蘇州市立維創展科持是ADI的代銷商城商,關鍵能提供(gong)圖(tu)(tu)像放大器(qi)電(dian)路(lu)、非線(xian)性廠(chang)品、數據文件轉換成(cheng)器(qi)、音頻(pin)系(xi)統播放廠(chang)品、寬帶網廠(chang)品、秒表和(he)延(yan)時IC、光纖(xian)傳(chuan)輸流量(liang)成(cheng)品、插口(kou)和(he)間(jian)隔時間(jian)、MEMS和(he)感知器(qi)、交(jiao)流電(dian)源和(he)熱經管、工作器(qi)和(he)DSP、頻(pin)射和(he)空(kong)間(jian)圖(tu)(tu)形正(zheng)確手機處理器(qi)、觸點(dian)開(kai)關和(he)確定器(qi)等,服務原廠(chang)現貨(huo)交(jiao)易,產品報價優勢可(ke)言,祝賀了(le)解。
上一篇: 高速模數轉換器ADC時鐘極性與啟動時間