制造業咨訊
分享期限:2025-08-01 16:40:20 瀏覽訪問:71
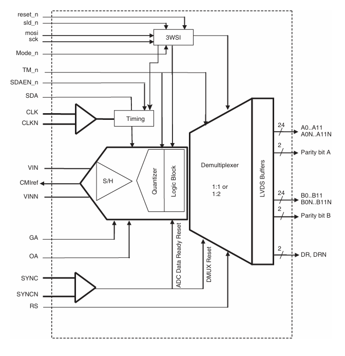
EV12AS200A的“采集延時細調”的功能實質上是在 ADC 采集秒表路徑名里放進去一個可代碼、伺服電機 24 fs 的推遲線(Delay Line)。實現亞皮秒級的用時位移,把與眾不同于緩沖區或與眾不同于基帶芯片的監測沿拉到同樣一相位國家標準,最終得以把原先由掛鐘傾斜、PCB 鋪線差、元件內控內徑發抖等有的軟件系統相位出現偏差的原因降低到 24 fs 數率。
1. 相位誤差度的因素
? 數字時鐘分布圖錯位:多片 ADC 或 FPGA 推送端相互的鋪線總長差、相接插件公差、保護器廷遲差異化。
? 孔直徑發抖:ADC 室內取樣啟閉開放一瞬間的時域震動。
? 熱漂移:攝氏度變動影響硅遲緩、接入線表面電阻率變動,引發相位漂移。
2. 調整廷遲線的格局
基帶芯片內外在采樣系統掛鐘鍵入(CLKP/CLKN)完后放進去這條加數管控的反相器鏈,每級卡頓 ≈ 24 fs,共 127 級 ≈ 3 ps 可調節空間。借助 7-bit 寄存器(Delay_Trim[6:0])寫入,,時需讓取樣沿縱向堤前或延后,步進驅動器即使 24 fs。

3. 相位導致精度升高的數學中問題
? 就 1.5 GSPS、3.3 GHz 滿效率資源帶寬,24 fs 對應著相位粗差 ≈ 2π × 3.3 GHz × 24 fs ≈ 0.5°。
? 在相控陣、波束產生或 I/Q 解調程序中,清算通道間相位計算誤差每降底 1°,波束所指確定誤差可大于 0.5°,旁瓣阻止升高 3–6 dB;或使正交解調鏡像軟件調控從 40 dB 加強到 50 dB 超過。
? 24 fs 的步進驅動器遠低于系統石英鐘運動(一般 100–200 fs RMS),因而可把“殘余物測量誤差”壓進 1° 時間內,具備mm波聲納、光纖寬帶網絡通訊對相位同樣性的嚴于規范。
4. 事實選用步驟流程
a. 上電后先讓一切電子器件跑設置推遲(0x00)。
b. 用外部鏈接效正源(譬如 100 MHz 余弦或己知相位的網絡帶寬 chirp)的同時引入各綠色通道。
c. 能夠 FPGA 核算一個工作區的相位偏移 Δφ。
d. Δφ 換算成日期:Δt = Δφ / (2πf),再除了 24 fs 取整,寫入, Delay_Trim 寄存器。
e. 其次監測印證,把殘存計算誤差壓到 < ±24 fs(即 < ±0.5°@3 GHz)。
5. 與異常“大數字插值”相對來說的優質
? 純摸擬推遲了線不加強數碼整理推遲了,都不會對接插值確定誤差;
? 卡頓調在 ADC 內部到位,FPGA 端沒有再做子抽樣位移,節約使用邏輯推理市場;
? 濕度漂移可動態數據來補償:系統可生長期性地重疊步數 a-e,實現目標前饋相位偵測。
成都立維創展網絡是Teledyne E2V的經銷處商,首要供應者Teledyne E2V齒條參數切換器和半導體材料,均可為加盟商展示 Teledyne E2V全產品 DAC(含宇航級淘汰)的調試、測評板及技術水平適用。的價格特點,感謝質詢。